Genuine Yamaha Outboard Parts Diagrams | Flood Marine

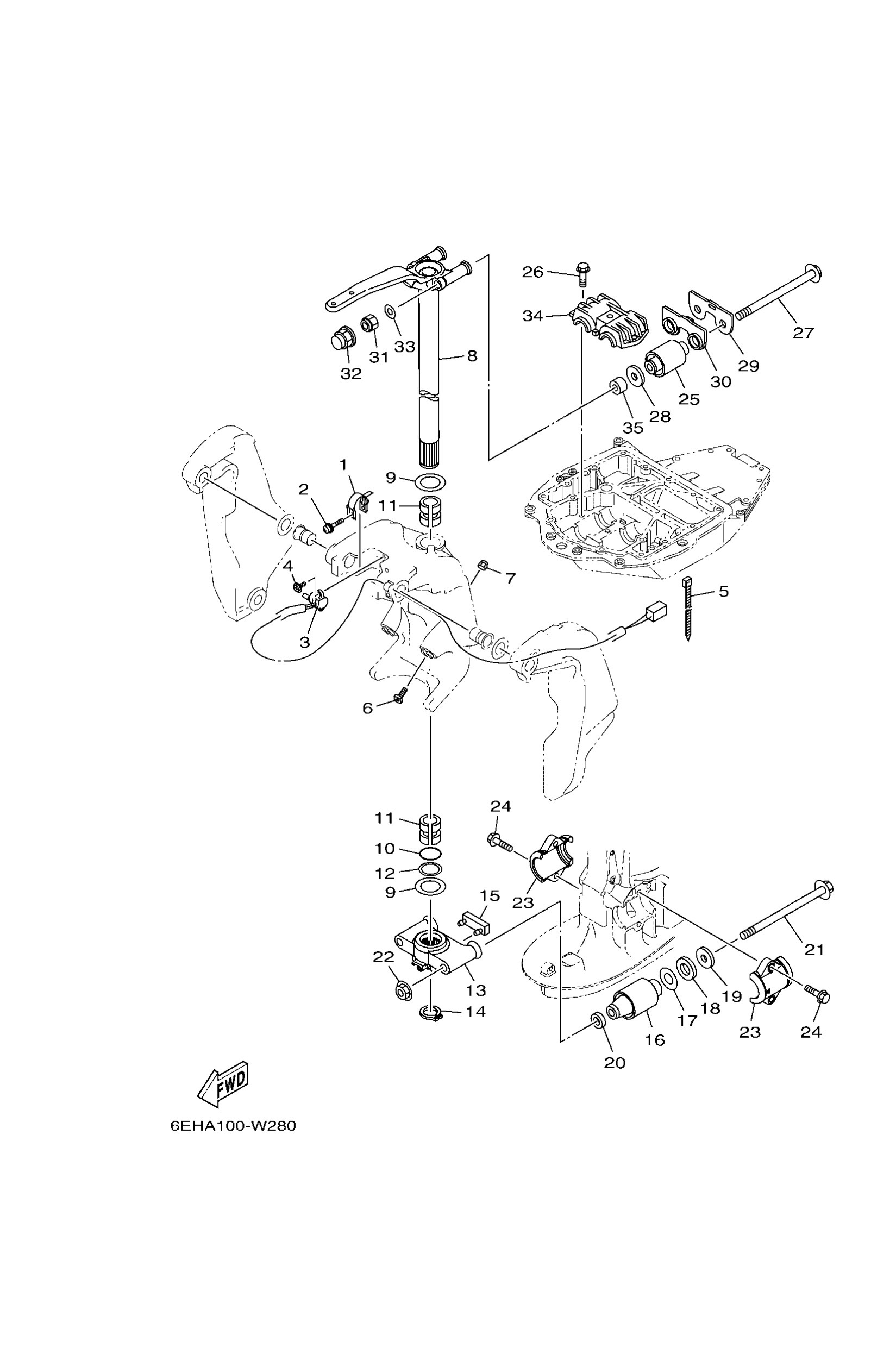
Diagram: BRACKET 2

Diagram

Parts List

Cam, trim sender
Diagram Reference: 1
Screw, with washer
Diagram Reference: 2
Trim sender
Diagram Reference: 3
Screw, with washer(6h2)
Diagram Reference: 4
Clamp
Diagram Reference: 5
Bolt, thrust receiver
Diagram Reference: 6
Nut, nylon (6e5)
Diagram Reference: 7
Steering bracket assembly
Diagram Reference: 8
Washer, plate (6e5)
Diagram Reference: 9
O-ring(61u)
Diagram Reference: 10
Bush(6e5)
Diagram Reference: 11
Washer, plate(61a)
Diagram Reference: 12
Housing, lower mount rubber 1
Diagram Reference: 13
Circlip
Diagram Reference: 14
Damper, lower mount rubber
Diagram Reference: 15
Mount damper, lower side
Diagram Reference: 16
Washer, plate
Diagram Reference: 17
Washer, plate (6e5)
Diagram Reference: 18
Washer, plate (6e5)
Diagram Reference: 19
Washer, plate (6e5)
Diagram Reference: 20
Bolt, flange
Diagram Reference: 21
Nut, self-locking(4tr)
Diagram Reference: 22
Housing, lower mount rubber 2
Diagram Reference: 23
Bolt, with washer
Diagram Reference: 24
Mount damper, upper side
Diagram Reference: 25
Bolt, with washer
Diagram Reference: 26
Bolt, flange
Diagram Reference: 27
Washer, plate(61a)
Diagram Reference: 28
Plate
Diagram Reference: 29
Stopper, upper mount
Diagram Reference: 30
Nut, self-locking(61a)
Diagram Reference: 31
Cap
Diagram Reference: 32
Washer (6e5)
Diagram Reference: 33
Cover, upper mount
Diagram Reference: 34
Collar
Diagram Reference: 35