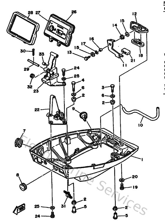
Yamaha Outboard Parts - Bottom Cowling - FT9.9AMH (1987) | Flood Marine

Diagram: Bottom Cowling

Diagram