Yamaha Outboard Parts - Bracket - 50DEMTO (1991) | Flood Marine
New Search
Parts
New Outboards
Home
50DEMTO (1991)
Bracket
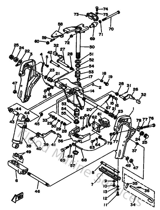
Diagram: Bracket
Parts List
Reference
Description
Price
4
6E5821480000
Wire, lead 5
Loading…
↗
5
978950600800
Screw, pan head(6a3)
Loading…
↗
7
6H1452510200
Anode
Loading…
↗
8
6EK445360000
Plate 2
Loading…
↗
9
9020106M3100
Washer (6a0)
Loading…
↗
10
973950601200
Bolt(gh1)
Loading…
↗
11
970950601600
Bolt, hexagon deep recess
Loading…
↗
12
929900610000
Washer(6a1)
Loading…
↗
13
929900660000
Washer, plain (646)
Loading…
↗
15
9370006M0300
Nipple, grease(6a1)
Loading…
↗
16
663451190000
Cap, grease nipple
Loading…
↗
17
6J8425280000
Plate, friction
Loading…
↗
18
689433730100
Seal, damper
Loading…
↗
19
9010506M1800
Bolt (689)
Loading…
↗
20
6J8431310100
Bolt, clamp bracket
Loading…
↗
21
9038622M1500
Bushing (688)
Loading…
↗
22
6J8431130100
Plate, clamp bracket
Loading…
↗
23
902012242800
Washer, plate(64j)
Loading…
↗
24
901852204300
Nut, self-locking
Loading…
↗
25
697431810200
Lever, tilt stop 1
Loading…
↗
26
6H5431850100
Lever, Tilt Stop
Loading…
↗
27
9038610M1600
Bushing (688)
Loading…
↗
28
929901060000
Washer, plate
Loading…
↗
30
9050110M2100
Spring (688)
Loading…
↗
31
914903003000
Pin, cotter
Loading…
↗
32
663433180000
Cover
Loading…
↗
33
9038610M1900
Bush
Loading…
↗
35
676431650000
Stopper plate, titl lock rod
Loading…
↗
36
916903001200
Pin, spring
Loading…
↗
37
9050210M0400
Spring, conical(6f5)
Loading…
↗
40
970850601000
Bolt
Loading…
↗
41
682433180100
Cover
Loading…
↗
42
6H5431260100
Pin, Upper Shock Mount
Loading…
↗
43
9038612M6500
Bush
Loading…
↗
44
9038612M6400
Bush(6h4)
Loading…
↗
45
9341012M0800
Circlip
Loading…
↗
46
9011618M2100
Bolt, Stud
Loading…
↗
47
9017018M1000
Nut (6h5)
Loading…
↗
48
929901860000
Washer(64j)
Loading…
↗
49
9038618M4400
Bushing (6g5)
Loading…
↗
50
6H44251009EJ
Steering Bracket assembly
Loading…
↗
51
9020130M0000
Washer, plate(6h1)
Loading…
↗
52
9038630M7800
Bush(6h0)
Loading…
↗
54
9321029M9400
O-ring(6h1)
Loading…
↗
55
9038630M6000
Bush(6j8)
Loading…
↗
57
9341028M0600
Circlip (688)
Loading…
↗
58
6H448511514D
Hook, Steering
Loading…
↗
59
901161017500
Bolt, stud
Loading…
↗
60
901851002700
Nut, self-locking
Loading…
↗
61
6H4445570000
Mount, lower front
Loading…
↗
62
6H4445530100
Cover, lower mount
Loading…
↗
63
970950802500
Bolt (62g)
Loading…
↗
64
929900860000
Washer, plain (663)
Loading…
↗
65
973951006000
Bolt, hexagon
Loading…
↗
67
6H5821170000
Wire, Lead
Loading…
↗
68
6H5821490000
Wire, Lead 3
Loading…
↗
69
6H4445140000
Mount, upper side
Loading…
↗
70
9010108M8600
Bolt (6h4)
Loading…
↗
71
902010942500
Washer, plate (663)
Loading…
↗
72
901850801800
Nut, self-locking
Loading…
↗
73
6H4445110094
Cover, Upper Mount
Loading…
↗
74
970900803500
Bolt(70w)
Loading…
↗
75
929900810000
Ybs67-8 washer, spring
Loading…
↗
76
9010112M6500
Bolt
Loading…
↗
77
929951220000
Ybs66-12 washer,plain
Loading…
↗
78
902011242600
Washe, plate(663)
Loading…
↗
79
953801260000
Nut (707)
Loading…
↗