Yamaha Outboard Parts - Bracket - 6CEM (1987) | Flood Marine
New Search
Parts
New Outboards
Home
6CEM (1987)
Bracket
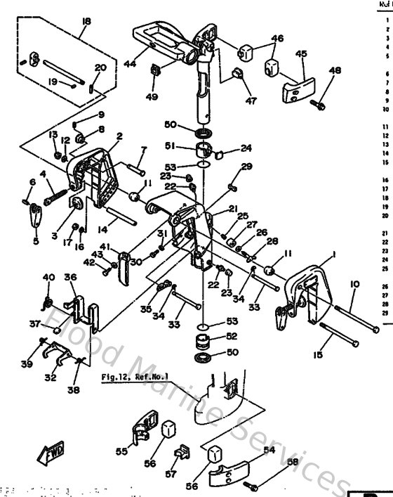
Diagram: Bracket
Parts List
Reference
Description
Price
2
6GH43112008D
Bracket, clamp 2
Loading…
↗
3
648431140100
Pad, transom clamp
Loading…
↗
4
6G1431160000
Screw, transom clamp.
Loading…
↗
5
6EEG31180000
Handle, transom cl
Loading…
↗
6
9024304M0100
Pin(6a1)
Loading…
↗
7
689431910000
Shaft, stopper
Loading…
↗
8
689431920100
Knob, stopper
Loading…
↗
9
916903001600
Pin, spring
Loading…
↗
10
9010108M7300
Bolt
Loading…
↗
11
6G1431360000
Piece, friction
Loading…
↗
13
9018508M0000
Nut, nylon (6j8)
Loading…
↗
14
9038706M1300
Collar(6h6)
Loading…
↗
15
973950613500
Bolt(6g1)
Loading…
↗
16
929900660000
Washer, plain (646)
Loading…
↗
17
953800660000
Nut(661)
Loading…
↗
18
6G1431600000
Tilt rod assembly
Loading…
↗
20
689431650000
Plate, tilt lock
Loading…
↗
22
937000600400
Nipple, grease(6a1)
Loading…
↗
23
663451190000
Cap, grease nipple
Loading…
↗
24
6G1425280000
Piece, friction
Loading…
↗
25
9050118M0000
Spring, compression (676)
Loading…
↗
26
929900860000
Washer, plain (663)
Loading…
↗
27
6G1433730000
Seal, damper
Loading…
↗
28
6G1425290000
Screw, friction piece
Loading…
↗
29
6G1445320100
Stopper, upper mount
Loading…
↗
30
973950601000
Bolt
Loading…
↗
32
6N0G36140000
Plate, tilt lock
Loading…
↗
33
6G1436590000
Shaft, reverse lock
Loading…
↗
34
934300502700
Circlip(22k)
Loading…
↗
35
6G1436150200
Plate, tilt lock
Loading…
↗
36
6G1436810000
Lever, shallow water drive
Loading…
↗
37
6G1433180100
Cover
Loading…
↗
38
9050810M1500
Spring, torsion (6g1)
Loading…
↗
39
9050810M1600
Spring, torsion (6g1)
Loading…
↗
40
9050814M1700
Spring, torsion (6g1)
Loading…
↗
41
6G1427310036
Carrying handle
Loading…
↗
42
970800801600
Bolt
Loading…
↗
46
6G1445140000
Mount damper, upper side
Loading…
↗
47
6G1445160000
Mount damper, upper front
Loading…
↗
49
6G1425510000
Grommet
Loading…
↗
50
6G1425350000
Washer, thrust 1
Loading…
↗
51
6G1425370000
Bushing, pivot shaft
Loading…
↗
52
6G1425380000
Bushing, Pivot Shft 2
Loading…
↗
53
9321030M3100
O-ring (6a5)
Loading…
↗
54
6G14455101EJ
Housing, lower mount rubber 1
Loading…
↗
56
6G1445550000
Mount damper, lower side
Loading…
↗
57
6G1445570000
Mount damper, lower front
Loading…
↗
58
958950603500
Bolt, flange(4nx)
Loading…
↗