Yamaha Outboard Parts - Bracket 1 - F100AET (2001) | Flood Marine

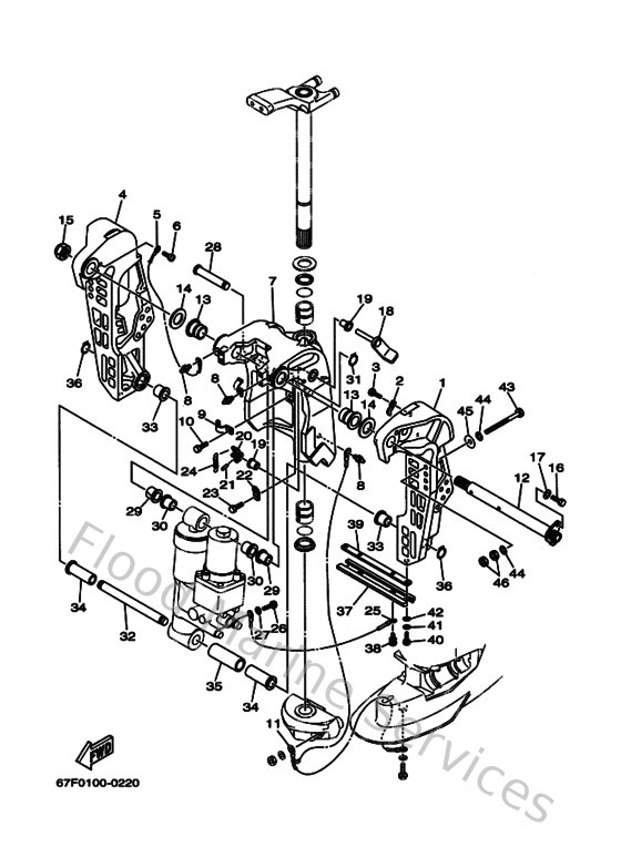
Diagram: Bracket 1

Diagram

Parts List

Reference
Description
Price