Yamaha Outboard Parts - Bracket 1 - L250AETO (1990) | Flood Marine
New Search
Parts
New Outboards
Home
L250AETO (1990)
Bracket 1
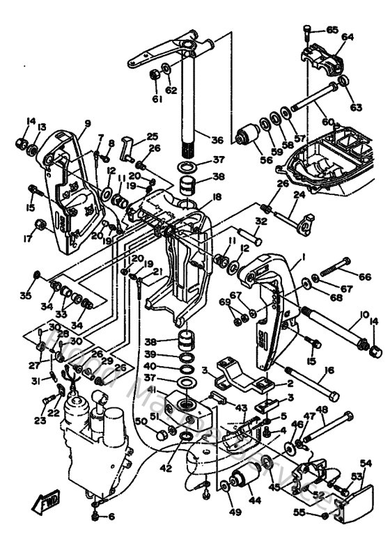
Diagram: Bracket 1
Parts List
Reference
Description
Price
2
6G5452510100
Anode
Loading…
↗
3
6G5445260000
Plate
Loading…
↗
4
975950652500
Bolt, hexagon w/w deep recess
Loading…
↗
5
6T4821170000
Wire, lead
Loading…
↗
6
975950651000
Bolt, hexagon w/w deep recess
Loading…
↗
7
6E5821480000
Wire, lead 5
Loading…
↗
8
978850601200
Screw, pan head(62j)
Loading…
↗
10
6E5431310100
Bolt, clamp bracket
Loading…
↗
11
9038625M3100
Bushing (6e5)
Loading…
↗
12
9020126M5900
Washer, plate (6e5)
Loading…
↗
13
901852200700
Nut, self-locking
Loading…
↗
14
663431450000
Cap, clamp bracket
Loading…
↗
15
970751004500
Bolt(64d)
Loading…
↗
16
61A431640000
Rod, Tilt Lock
Loading…
↗
19
937000600400
Nipple, grease(6a1)
Loading…
↗
20
663451190000
Cap, grease nipple
Loading…
↗
22
6G5431440000
Hook, spring
Loading…
↗
23
973950601000
Bolt
Loading…
↗
24
61A431810000
Lever, tilt stop 1
Loading…
↗
25
6G5431850200
Lever, tilt stop 2
Loading…
↗
26
9038610M1600
Bushing (688)
Loading…
↗
27
6G5431480000
Collar, distance
Loading…
↗
29
9038710M0200
Collar(6e5)
Loading…
↗
30
916903002000
Pin, spring (6h4)
Loading…
↗
31
9050614M2400
Spring, tension(6e5)
Loading…
↗
32
6E5431260100
Pin, upper shock mount
Loading…
↗
33
9038618M6300
Bush(6e5)
Loading…
↗
34
9038618M1400
Bushing (6e5)
Loading…
↗
35
9341018M0200
Circlip (6f2)
Loading…
↗
37
9020140M0000
Washer, plate(61a)
Loading…
↗
38
9038639M8900
Bush(61a)
Loading…
↗
39
932103532100
O-ring (3m7)
Loading…
↗
40
9020240M4700
Washer, plate(61a)
Loading…
↗
42
9341037M0400
Circlip (6e5)
Loading…
↗
43
6E5445750000
Damper, lower mount rubber
Loading…
↗
44
61A445550094
Mount damper, lower side
Loading…
↗
45
9020232M1900
Washer, plate (6e5)
Loading…
↗
46
9020116M5500
Washer, plate (6e5)
Loading…
↗
47
6E5821490000
Wire, lead 3
Loading…
↗
48
9010914M4800
Bolt
Loading…
↗
49
9020115M5800
Washer, plate (6e5)
Loading…
↗
50
953801480000
Nut, crown (6e5)
Loading…
↗
51
929901460000
Washer (6e5)
Loading…
↗
52
61A445520094
Housing, lower mount rubber
Loading…
↗
53
975951054500
Bolt, hexagon w/w deep recess
Loading…
↗
55
6A0157890000
Damper
Loading…
↗
56
61A445140094
Mount Damper, Upper Side
Loading…
↗
57
9020116M0100
Washer, plate(61a)
Loading…
↗
58
9020228M4600
Washer, plate(61a)
Loading…
↗
59
9020128M0100
Washer, plate(61a)
Loading…
↗
60
9010914M1000
Bolt
Loading…
↗
61
9018514M0000
Nut, self-locking(61a)
Loading…
↗
63
61A445330000
Dampermount Rubber
Loading…
↗
64
61A445110094
Cover, upper mount
Loading…
↗
66
9010112M0300
Bolt (l:115mm)
Loading…
↗
67
9020113M0100
Washer, plate(6e5)
Loading…
↗
68
902011242600
Washe, plate(663)
Loading…
↗
69
953801260000
Nut (707)
Loading…
↗