Yamaha Outboard Parts - Bracket 2 - L200AETOL (1989) | Flood Marine
New Search
Parts
New Outboards
Home
L200AETOL (1989)
Bracket 2
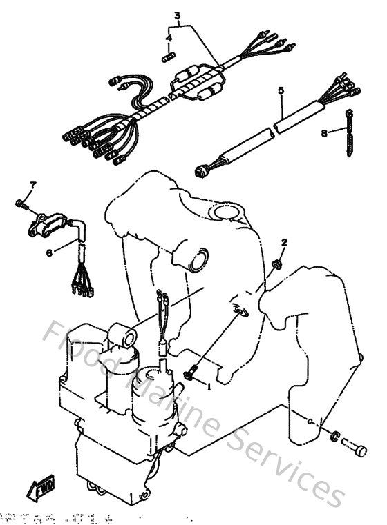
Diagram: Bracket 2
Parts List
Reference
Description
Price
1
6G5433760000
Bolt, Thrust Receiver
Loading…
↗
2
957801030000
Nut, nylon (6e5)
Loading…
↗
3
6Y583553M000
Wire, lead (l=2.5m)
Loading…
↗
4
1E6821510000
Fuse (10a)
Loading…
↗
5
6E5825531000
Extension, Wire Harness
Loading…
↗
6
6R3836720100
Trim sender
Loading…
↗
7
925800601600
Screw pan head
Loading…
↗
8
9046511M1000
Clamp
Loading…
↗