Genuine Yamaha Outboard Parts Diagrams | Flood Marine

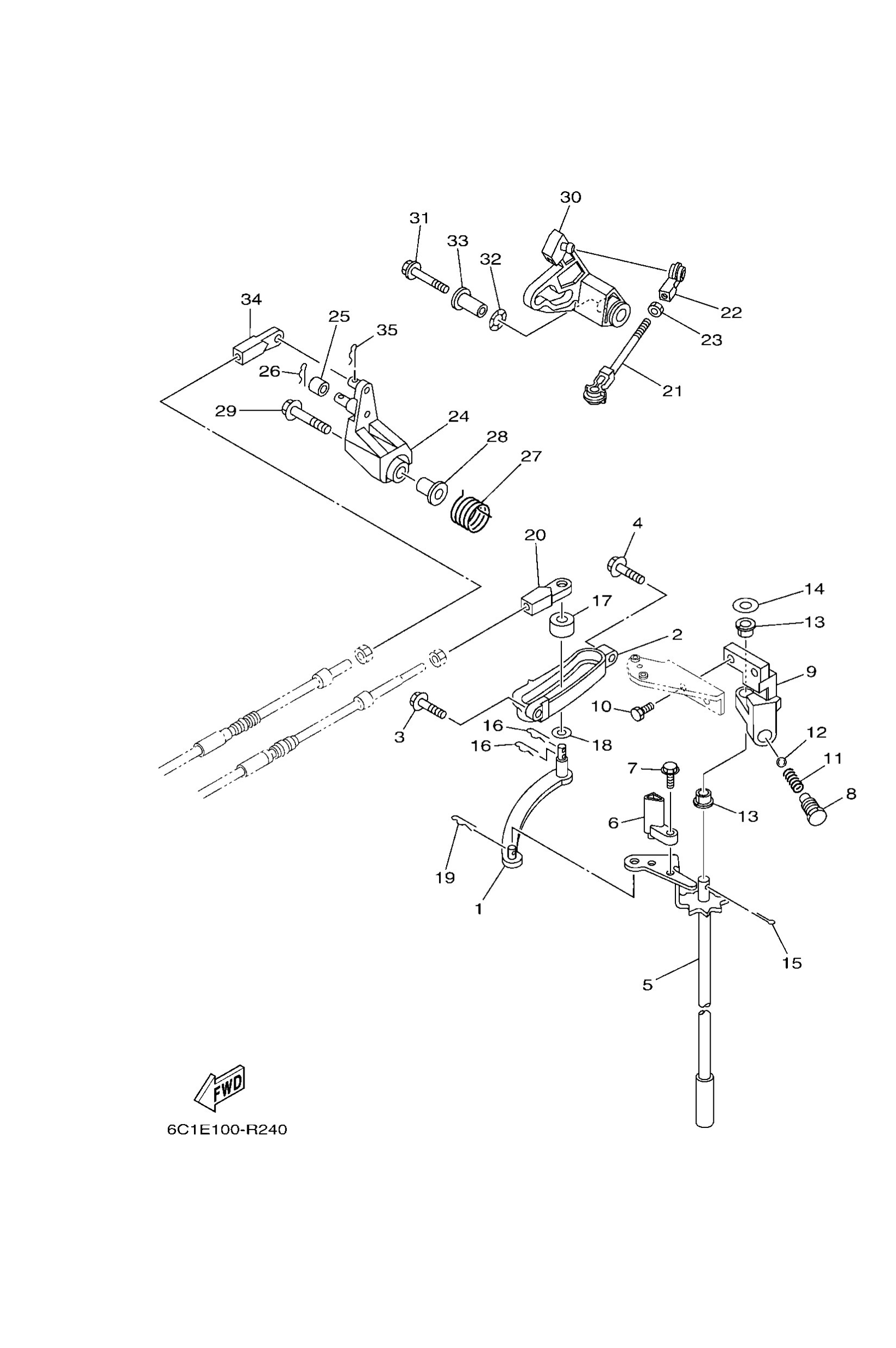
Diagram: CONTROL

Diagram

Parts List

Lever, shift rod
Diagram Reference: 1
Bracket
Diagram Reference: 2
Bolt, hexagon w/w deep recess
Diagram Reference: 3
Bolt, hexagon w/w deep recess
Diagram Reference: 4
6C54412003 (L(20.9"))
Handle gear shift assembly
Diagram Reference: 5
6C54412013 (X(25.4"))
Handle gear shift assembly
Diagram Reference: 5
Bushing, shift rod lever
Diagram Reference: 6
Bolt, w/ plain
Diagram Reference: 7
Bushing
Diagram Reference: 8
Bracket
Diagram Reference: 9
Bolt
Diagram Reference: 10
Spring 6484411600
Diagram Reference: 11
Ball (697)
Diagram Reference: 12
Bush(61a)
Diagram Reference: 13
Washer, plate (663)
Diagram Reference: 14
Pin, cotter (648)
Diagram Reference: 15
Clip 620436610000
Diagram Reference: 16
Bushing, shift rod lever
Diagram Reference: 17
Washer, plate (688)
Diagram Reference: 18
Cable end, remote control
Diagram Reference: 20
Link, accel
Diagram Reference: 21
Joint, link
Diagram Reference: 22
Nut (656)
Diagram Reference: 23
Lever, throttle control
Diagram Reference: 24
Bushing
Diagram Reference: 25
Pin, cotter
Diagram Reference: 26
Spring
Diagram Reference: 27
Collar(62y)
Diagram Reference: 28
Bolt, with washer
Diagram Reference: 29
Lever, accel. control
Diagram Reference: 30
Bolt, flange deep recess
Diagram Reference: 31
Washer, wave (676)
Diagram Reference: 32
Collar
Diagram Reference: 33