Yamaha Outboard Parts - Cylinder & Crankcase - 6CEM (1996) | Flood Marine
New Search
Parts
New Outboards
Home
6CEM (1996)
Cylinder & Crankcase
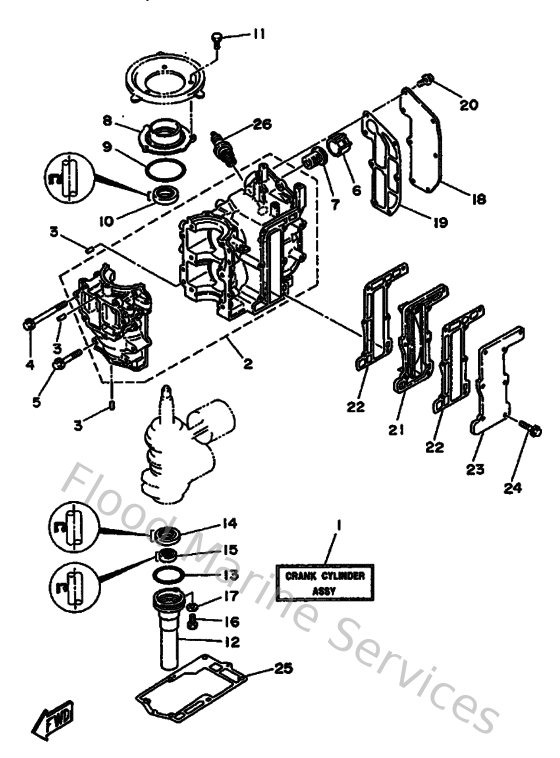
Diagram: Cylinder & Crankcase
Parts List
Reference
Description
Price
1
6G1W0090044D
Crank cylinder assembly
Loading…
↗
2
6G1151000094
Crankcase assembly
Loading…
↗
3
936040806200
Pin,dowel (626)
Loading…
↗
4
9010506M2600
Bolt (6g1)
Loading…
↗
5
9010506M2500
Bolt (6g1)
Loading…
↗
6
9038722M5000
Collar (6g1)
Loading…
↗
7
6E5124110200
Thermostat
Loading…
↗
8
6G1153590194
Housing, oil seal
Loading…
↗
9
9321054M5400
O-ring (6g1)
Loading…
↗
10
9310220M2500
Oil seal (6e0)
Loading…
↗
11
970950601600
Bolt, hexagon deep recess
Loading…
↗
12
6G115396025B
Housing, oil seal
Loading…
↗
13
932104215900
O-ring (647)
Loading…
↗
14
9310120M2900
Oil seal(6j1)
Loading…
↗
15
9310112M2600
Oil seal(6g1)
Loading…
↗
17
929900660000
Washer, plain (646)
Loading…
↗
18
6G111191019M
Cover, cylinder head 1
Loading…
↗
19
6G111193A100
Gasket, head cover 1
Loading…
↗
20
9010506M1400
Bolt (6e0)
Loading…
↗
21
6G141111019M
Inner cover, exhaust
Loading…
↗
22
6G141112A100
Gasket, exhaust inner cover
Loading…
↗
23
6G141113019M
Outer cover, exhaust
Loading…
↗
24
9010506M2400
Bolt (6g1)
Loading…
↗
25
6G145113A100
Gasket, upper casing
Loading…
↗
26
947020027100
Plug, spark (br7hs-10)
Loading…
↗