Yamaha Outboard Parts - Cylinder & Crankcase - E40XMH (1998) | Flood Marine

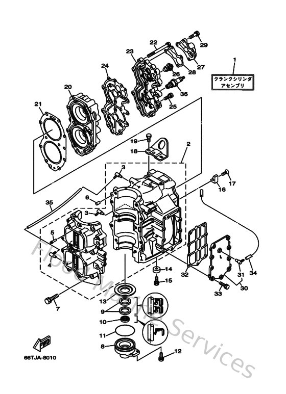
Diagram: Cylinder & Crankcase

Diagram

Parts List

Reference
Description
Price