Yamaha Outboard Parts - Cylinder & Crankcase - FT25BE (2001) | Flood Marine
New Search
Parts
New Outboards
Home
FT25BE (2001)
Cylinder & Crankcase
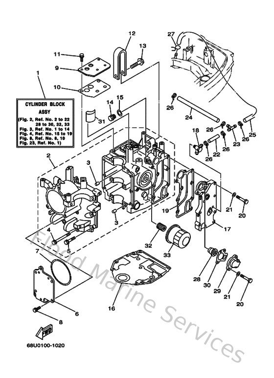
Diagram: Cylinder & Crankcase
Parts List
Reference
Description
Price
1
65WW009B004D
Cylinder Block assembly
Loading…
↗
2
65W151000094
Crankcase assembly
Loading…
↗
3
995300801200
Pin, dowel(6g8)
Loading…
↗
4
9011908M0100
Bolt, with washer(62y)
Loading…
↗
5
970140603500
Bolt(3rv)
Loading…
↗
6
65W151210000
Crankcase 2
Loading…
↗
7
65W156630000
Seal
Loading…
↗
8
65W122280000
Bolt
Loading…
↗
9
65W111680100
Cover Breather
Loading…
↗
10
65W111690000
Gasket, breather cover
Loading…
↗
12
65W111190000
Hanger Engine
Loading…
↗
13
9010508M8700
Bolt, washer based
Loading…
↗
14
9034014M0600
Plug, straight screw(62y)
Loading…
↗
15
904301411500
Gasket (663)
Loading…
↗
16
65W113510000
Gasket, cylinder
Loading…
↗
17
65W411130194
Outer Cover, Exhaust
Loading…
↗
18
62Y113720100
Nipple, hose
Loading…
↗
19
65W411140000
Gasket, exhaust outer cover
Loading…
↗
20
970130603500
Bolt(3rv)
Loading…
↗
21
929030660000
Washer, plain (646)
Loading…
↗
22
90445092K100
Hose (l420)
Loading…
↗
23
688243780000
Pipe, joint
Loading…
↗
24
904450909500
Hose (L260)
Loading…
↗
25
904450910500
Hose (l420)
Loading…
↗
26
904651009800
Clamp
Loading…
↗
27
904670800400
Clip, pipe 6162435600
Loading…
↗
28
6G8124110200
Thermostat
Loading…
↗
29
6H312413001S
Cover, thermostat
Loading…
↗
30
62Y124140000
Gasket, cover
Loading…
↗
31
65W132860000
Cleaner
Loading…
↗
32
9040120M0000
Bolt, union(62y)
Loading…
↗
33
5GH134400000
Element assembly, oil cleaner
Loading…
↗