Genuine Yamaha Outboard Parts Diagrams | Flood Marine

Diagram: ELECTRICAL

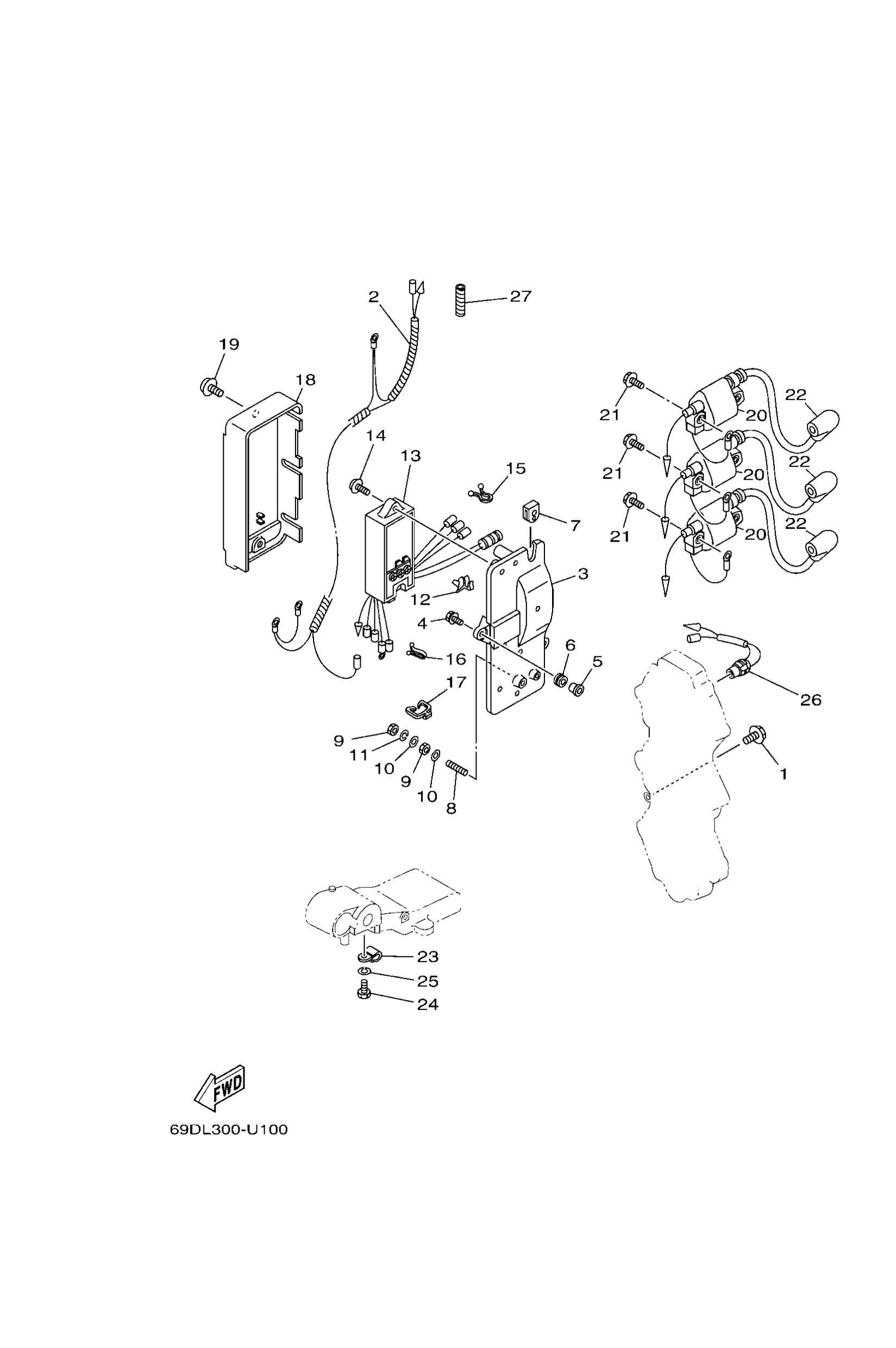
Diagram

Parts List

Bolt, with washer(6g4)
Diagram Reference: 1
Wire, lead
Diagram Reference: 2
Bracket
Diagram Reference: 3
Bolt (6e0)
Diagram Reference: 4
Coller (6e9)
Diagram Reference: 5
Grommet (6e9)
Diagram Reference: 6
Grommet
Diagram Reference: 7
Bolt, stud (688)
Diagram Reference: 8
Nut
Diagram Reference: 9
Ybs66-6 washer, plain
Diagram Reference: 10
Washer(6a1)
Diagram Reference: 11
Clamp (6h3)
Diagram Reference: 12
C.d.i. unit assembly
Diagram Reference: 13
Screw, with washer
Diagram Reference: 14
Clamp
Diagram Reference: 15
Clamp(6j8)
Diagram Reference: 16
Clamp (6h3)
Diagram Reference: 17
Cover, terminal
Diagram Reference: 18
Screw, with washer(6h3)
Diagram Reference: 19
Ignition coil assembly
Diagram Reference: 20
Bolt, with washer(61b)
Diagram Reference: 21
Plug cap assembly
Diagram Reference: 22
Clamp
Diagram Reference: 23
Bolt(gh1)
Diagram Reference: 24
Washer(6a1)
Diagram Reference: 25
Thermo switch assembly
Diagram Reference: 26
Tube (6e5)
Diagram Reference: 27