Genuine Yamaha Outboard Parts Diagrams | Flood Marine
New Search
Parts
New Outboards
Home
F115B (2025)
ELECTRICAL 1
Diagram: ELECTRICAL 1
Parts List
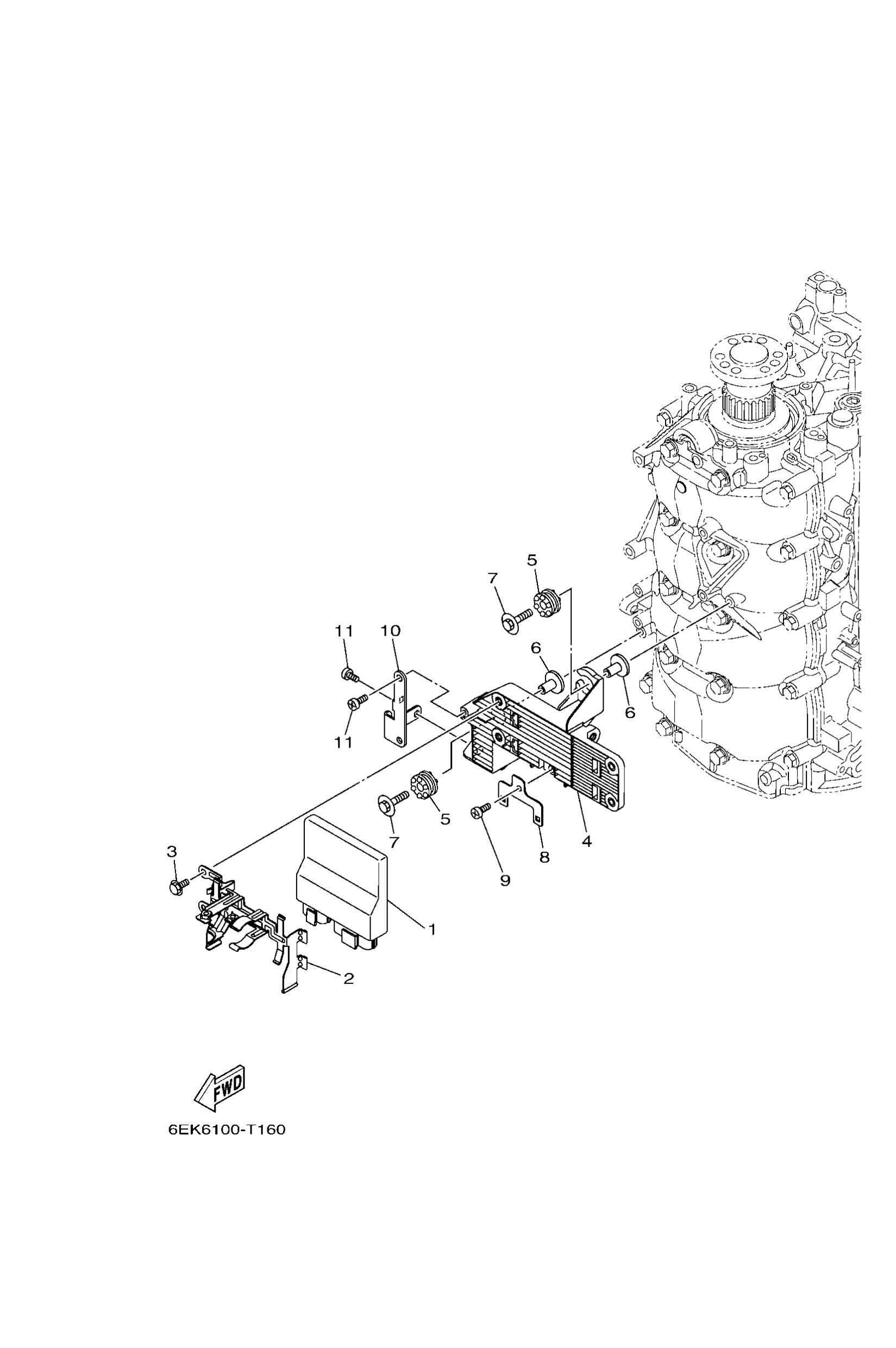
6EK8591A22
Engine control unit assembly
Diagram Reference: 1
Get Part
6EK8253C00
Spring, plate lock
Diagram Reference: 2
Get Part
95D9506010
Bolt, flange deep recess
Diagram Reference: 3
Get Part
6EK8194801
Bracket
Diagram Reference: 4
Get Part
60V8556400
Grommet
Diagram Reference: 5
Get Part
9038706176
Collar
Diagram Reference: 6
Get Part
68F8511900
Bolt
Diagram Reference: 7
Get Part
6C58257V00
Plate, connector
Diagram Reference: 8
Get Part
9778060620
Screw, tapping(6k8)
Diagram Reference: 9
Get Part
6EK8554800
Holder
Diagram Reference: 10
Get Part