Genuine Yamaha Outboard Parts Diagrams | Flood Marine
New Search
Parts
New Outboards
Home
F175C (2025)
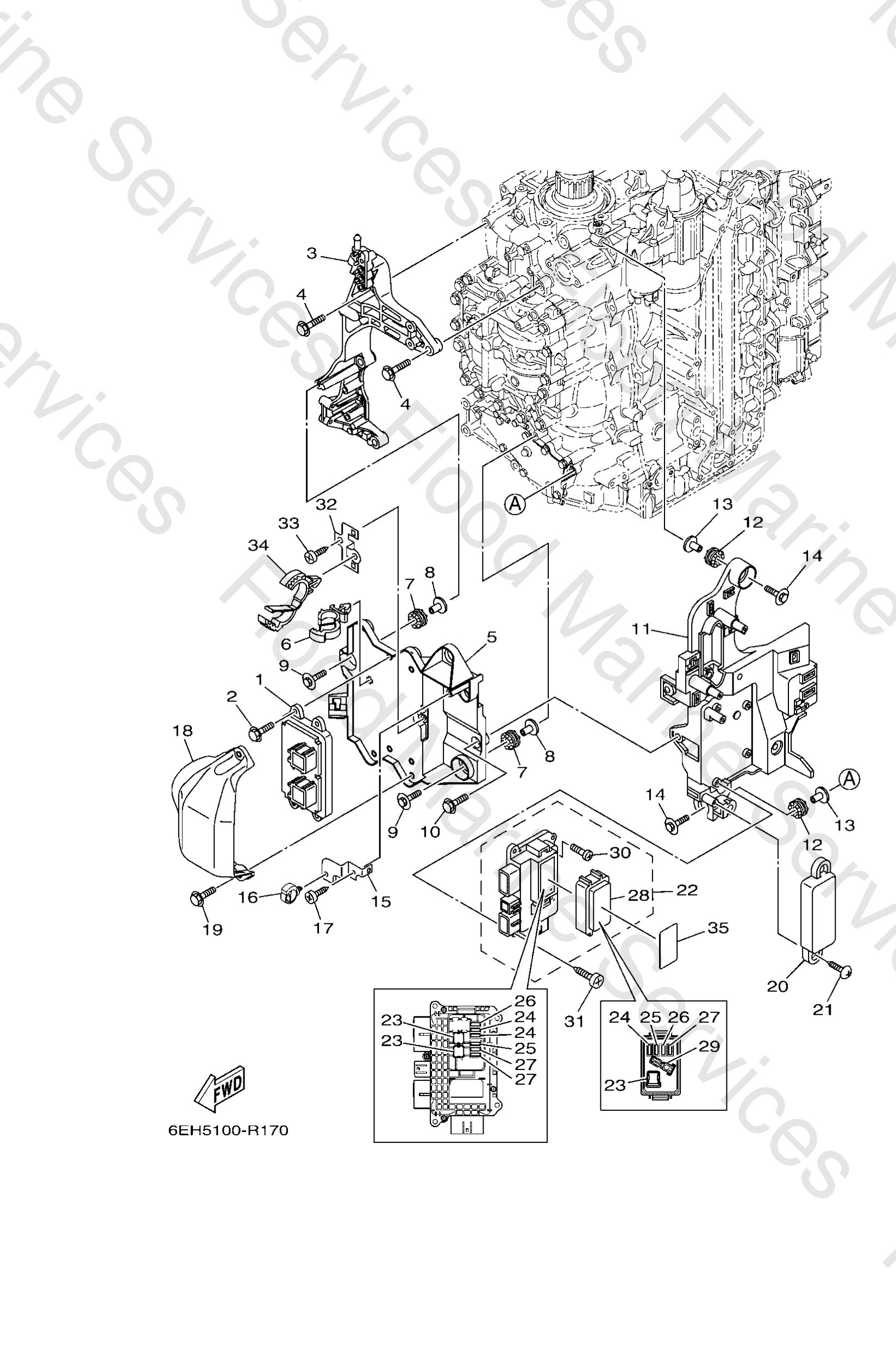
ELECTRICAL 1
Diagram: ELECTRICAL 1
Parts List
6LY8591A00
Engine control unit assembly
Diagram Reference: 1
Get Part
95D9506020
Bolt, flange deep recess
Diagram Reference: 2
Get Part
6DA8599101
Bracket, unit
Diagram Reference: 3
Get Part
95D7508035
Bolt, flange deep recess
Diagram Reference: 4
Get Part
6DA8194801
Bracket
Diagram Reference: 5
Get Part
9046412183
Clamp(jn2)
Diagram Reference: 6
Get Part
68F8551601
Spacer
Diagram Reference: 7
Get Part
9038706176
Collar
Diagram Reference: 8
Get Part
68F8511900
Bolt
Diagram Reference: 9
Get Part
95D9506016
Bolt, flange deep recess
Diagram Reference: 10
Get Part
6DA8195210
Holder, relay
Diagram Reference: 11
Get Part
6DA8554810
Holder
Diagram Reference: 15
Get Part
9046420181
Clamp(4ap)
Diagram Reference: 16
Get Part
9778060620
Screw, tapping(6k8)
Diagram Reference: 17
Get Part
6DA8163901
Cover
Diagram Reference: 18
Get Part
6DA8252U01
Cover
Diagram Reference: 20
Get Part
9016905M00
Screw truss head tapping
Diagram Reference: 21
Get Part
6DA8217012
Fuse box assembly
Diagram Reference: 22
Get Part
6CB8215141
Fuse (60a)
Diagram Reference: 23
Get Part
6CB8215100
Fuse (10a)
Diagram Reference: 24
Get Part
6CB8215110
Fuse (15a)
Diagram Reference: 25
Get Part
6CB8215120
Fuse (20a)
Diagram Reference: 26
Get Part
6CB8215130
Fuse (30a)
Diagram Reference: 27
Get Part
6CB8554410
Cover
Diagram Reference: 28
Get Part
6CB2812A00
Puller, fuse
Diagram Reference: 29
Get Part
6P28211300
Screw (m3)
Diagram Reference: 30
Get Part
9778050620
Screw, tapping
Diagram Reference: 31
Get Part
6DA8257V00
Plate, connector
Diagram Reference: 32
Get Part
9046432002
Clamp
Diagram Reference: 34
Get Part
6LW8191900
Graphic, regulator
Diagram Reference: 35
Get Part