Genuine Yamaha Outboard Parts Diagrams | Flood Marine
New Search
Parts
New Outboards
Home
LF150LD (2025)
ELECTRICAL 1
Diagram: ELECTRICAL 1
Parts List
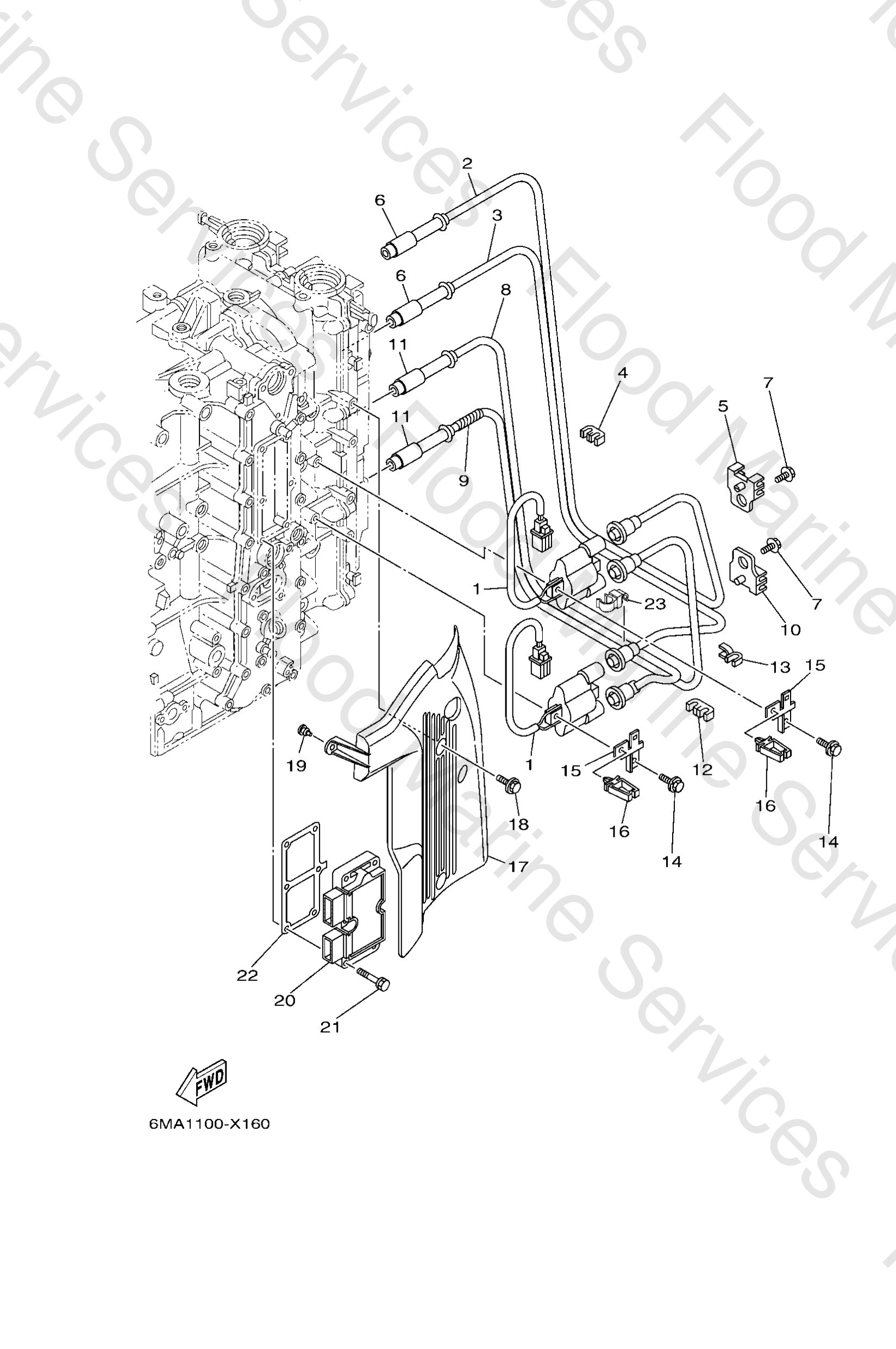
63P8231001
Ignition coil assembly
Diagram Reference: 1
Get Part
6MA8234100
Cord, high tension 1
Diagram Reference: 2
Get Part
6MA8234200
Cord, high tension 2
Diagram Reference: 3
Get Part
67F8236100
Clamp, cord
Diagram Reference: 4
Get Part
67F8236200
Clamp, cord 2
Diagram Reference: 5
Get Part
6MA8237000
Plug cap assembly
Diagram Reference: 6
Get Part
9011906275
Bolt, with washer
Diagram Reference: 7
Get Part
6MA8234300
Cord, high tension 3
Diagram Reference: 8
Get Part
6MA8234400
Cord, high tension 4
Diagram Reference: 9
Get Part
9046407M41
Clamp(62y)
Diagram Reference: 13
Get Part
97E9506625
Bolt, hexagon w/w deep recess
Diagram Reference: 14
Get Part
63P8238800
Plate
Diagram Reference: 15
Get Part
9046405141
Clamp(7ly)
Diagram Reference: 16
Get Part
63P8231401
Cover, ignition coil
Diagram Reference: 17
Get Part
95D9506020
Bolt, flange deep recess
Diagram Reference: 18
Get Part
9048006M19
Grommet (6e3)
Diagram Reference: 19
Get Part
63P8196002
Rectifier & regulator assembly
Diagram Reference: 20
Get Part
9011906MA4
Bolt, with washer
Diagram Reference: 21
Get Part
63P8197500
Plate, rectifier fitting
Diagram Reference: 22
Get Part
9046412017
Clamp
Diagram Reference: 23
Get Part