Genuine Yamaha Outboard Parts Diagrams | Flood Marine
New Search
Parts
New Outboards
Home
F80B (2025)
ELECTRICAL 2
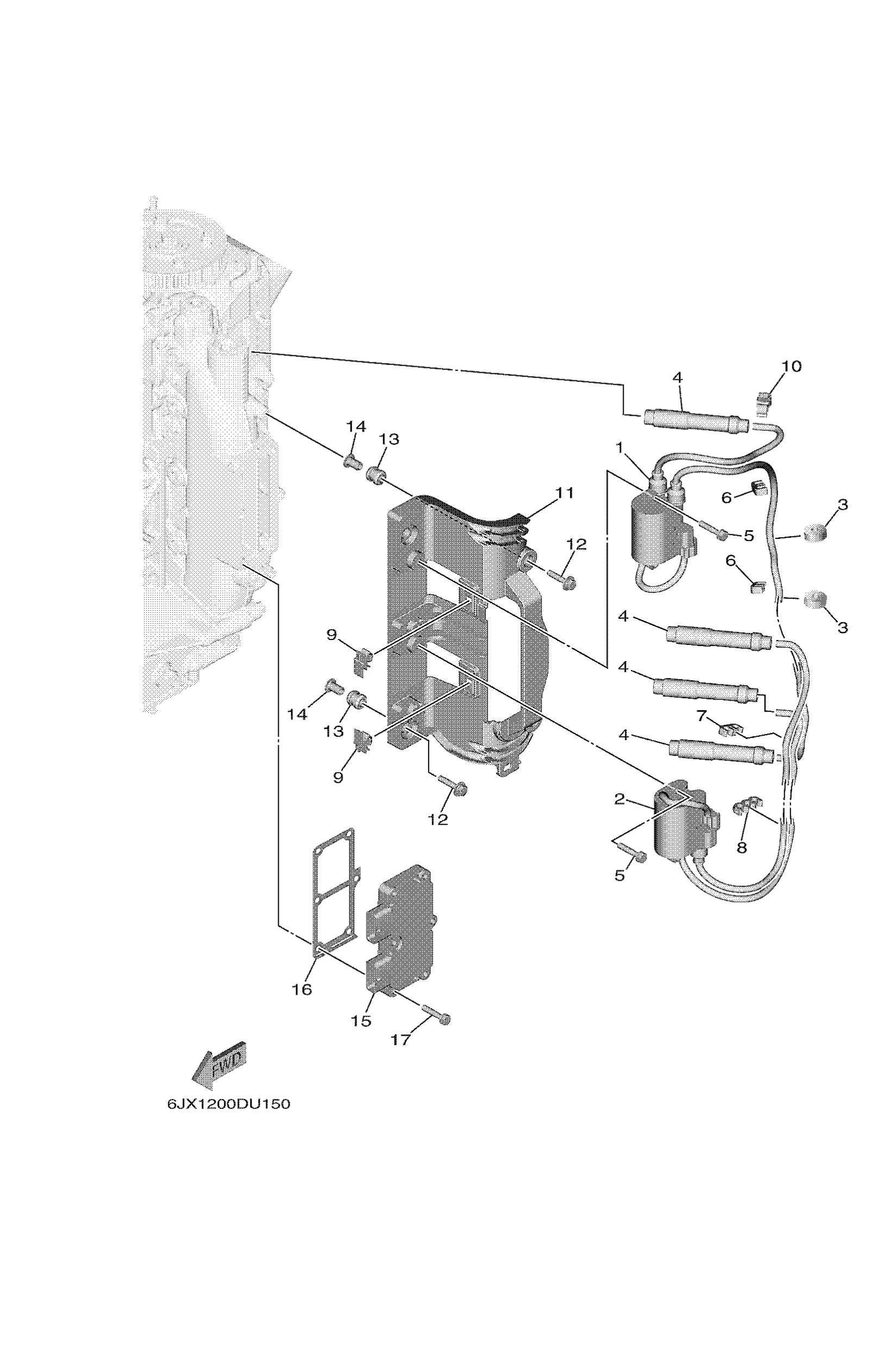
Diagram: ELECTRICAL 2
Parts List
6FP8231000
Ignition coil assembly
Diagram Reference: 1
Get Part
6FP8231010
Ignition coil assembly
Diagram Reference: 2
Get Part
9048025161
Grommet(656)
Diagram Reference: 3
Get Part
6FP8237000
Plug cap assembly
Diagram Reference: 4
Get Part
97E9506525
Bolt, hexagon w/w deep recess
Diagram Reference: 5
Get Part
67F8236100
Clamp, cord
Diagram Reference: 6
Get Part
9046407M05
Clamp (6g5)
Diagram Reference: 8
Get Part
9046412002
Clamp
Diagram Reference: 9
Get Part
9046409013
Clamp
Diagram Reference: 10
Get Part
6FP8231600
Bracket, ignition coil
Diagram Reference: 11
Get Part
9011906294
Bolt, with washer
Diagram Reference: 12
Get Part
6A08231701
Damper, ignition coil
Diagram Reference: 13
Get Part
9038706119
Collar
Diagram Reference: 14
Get Part
6EK8196010
Rectifier & regulator assembly
Diagram Reference: 15
Get Part
6FP8197500
Plate, rectifier fitting
Diagram Reference: 16
Get Part
9011906MA4
Bolt, with washer
Diagram Reference: 17
Get Part