Genuine Yamaha Outboard Parts Diagrams | Flood Marine
New Search
Parts
New Outboards
Home
VF115B (2025)
ELECTRICAL 2
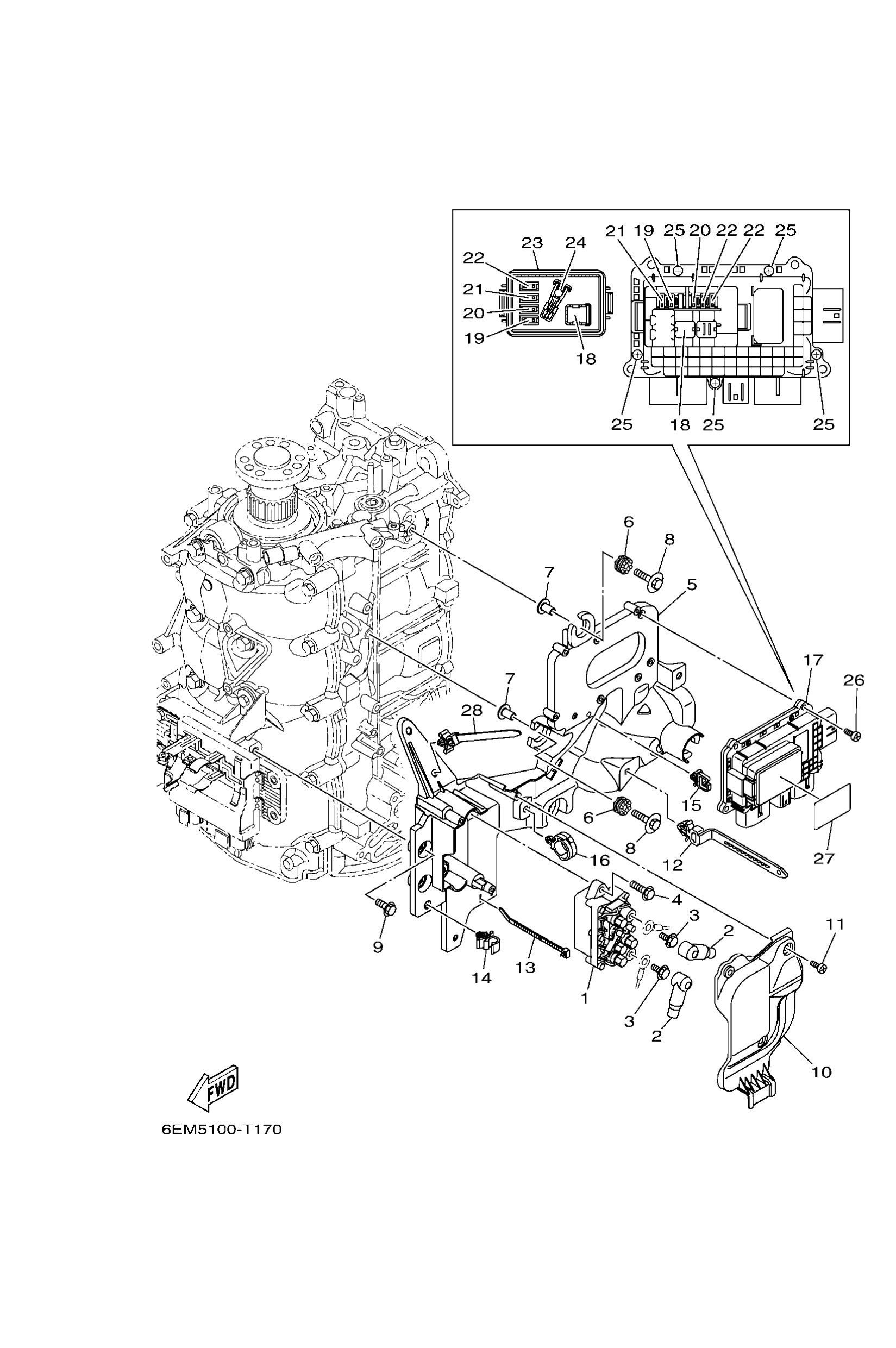
Diagram: ELECTRICAL 2
Parts List
63PW819500
Relay assembly
Diagram Reference: 1
Get Part
6828211901
Cover, lead wire
Diagram Reference: 2
Get Part
97E9506610
Bolt, hexagon w/w deep recess
Diagram Reference: 3
Get Part
97E9506520
Bolt, hexagon w/w deep recess
Diagram Reference: 4
Get Part
6EK8195210
Holder, relay
Diagram Reference: 5
Get Part
60V8556400
Grommet
Diagram Reference: 6
Get Part
9038706176
Collar
Diagram Reference: 7
Get Part
68F8511900
Bolt
Diagram Reference: 8
Get Part
95D9506016
Bolt, flange deep recess
Diagram Reference: 9
Get Part
6EK8194210
Cover
Diagram Reference: 10
Get Part
9016905M00
Screw truss head tapping
Diagram Reference: 11
Get Part
9046513M76
Clamp
Diagram Reference: 12
Get Part
9046511M52
Clamp(6e7)
Diagram Reference: 13
Get Part
9046410M32
Clamp(6m7)
Diagram Reference: 14
Get Part
9046408004
Clamp
Diagram Reference: 15
Get Part
9046412183
Clamp(jn2)
Diagram Reference: 16
Get Part
6EM8217012
Fuse box assembly
Diagram Reference: 17
Get Part
6FP8215101
Fuse
Diagram Reference: 18
Get Part
6CB8215100
Fuse (10a)
Diagram Reference: 19
Get Part
6CB8215110
Fuse (15a)
Diagram Reference: 20
Get Part
6CB8215120
Fuse (20a)
Diagram Reference: 21
Get Part
6CB8215130
Fuse (30a)
Diagram Reference: 22
Get Part
6CB8554410
Cover
Diagram Reference: 23
Get Part
6CB2812A00
Puller, fuse
Diagram Reference: 24
Get Part
6P28211300
Screw (m3)
Diagram Reference: 25
Get Part
9778050620
Screw, tapping
Diagram Reference: 26
Get Part
6EM8191911
Graphic, regulator
Diagram Reference: 27
Get Part
9046512M56
Clamp(62t)
Diagram Reference: 28
Get Part