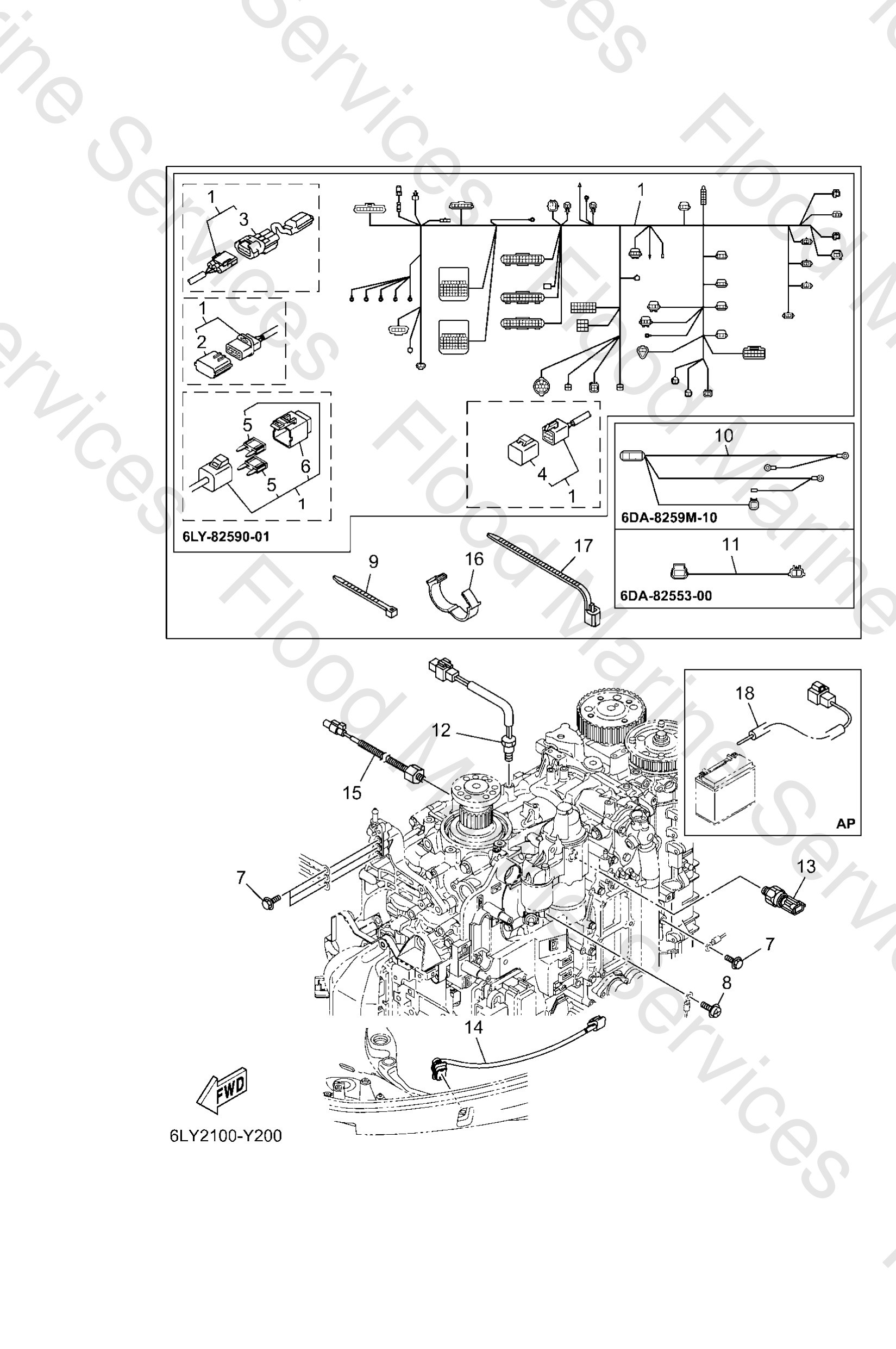
Parts List
Wire harness assembly
Diagram Reference: 1
Cap 1
Diagram Reference: 2
Diode assembly
Diagram Reference: 3
White cap 1 (4pin)
Diagram Reference: 4
Fuse (5a)
Diagram Reference: 5
Cap (brown)
Diagram Reference: 6
Bolt, hexagon w/w deep recess
Diagram Reference: 7
Screw, with washer
Diagram Reference: 8
Clamp(63m)
Diagram Reference: 9
Wire harness assembly 2
Diagram Reference: 10
Extension, wire lead
Diagram Reference: 11
Thermosensor assembly
Diagram Reference: 12
Sender, oil pressure
Diagram Reference: 13
Trim & tilt switch assembly
Diagram Reference: 14
Sensor, knock
Diagram Reference: 15
Clamp
Diagram Reference: 16
Clamp(4fm)
Diagram Reference: 17
Wire, lead (isolator, 3.8m )
Diagram Reference: 18