Genuine Yamaha Outboard Parts Diagrams | Flood Marine

Diagram: ELECTRICAL 4

Diagram

Parts List

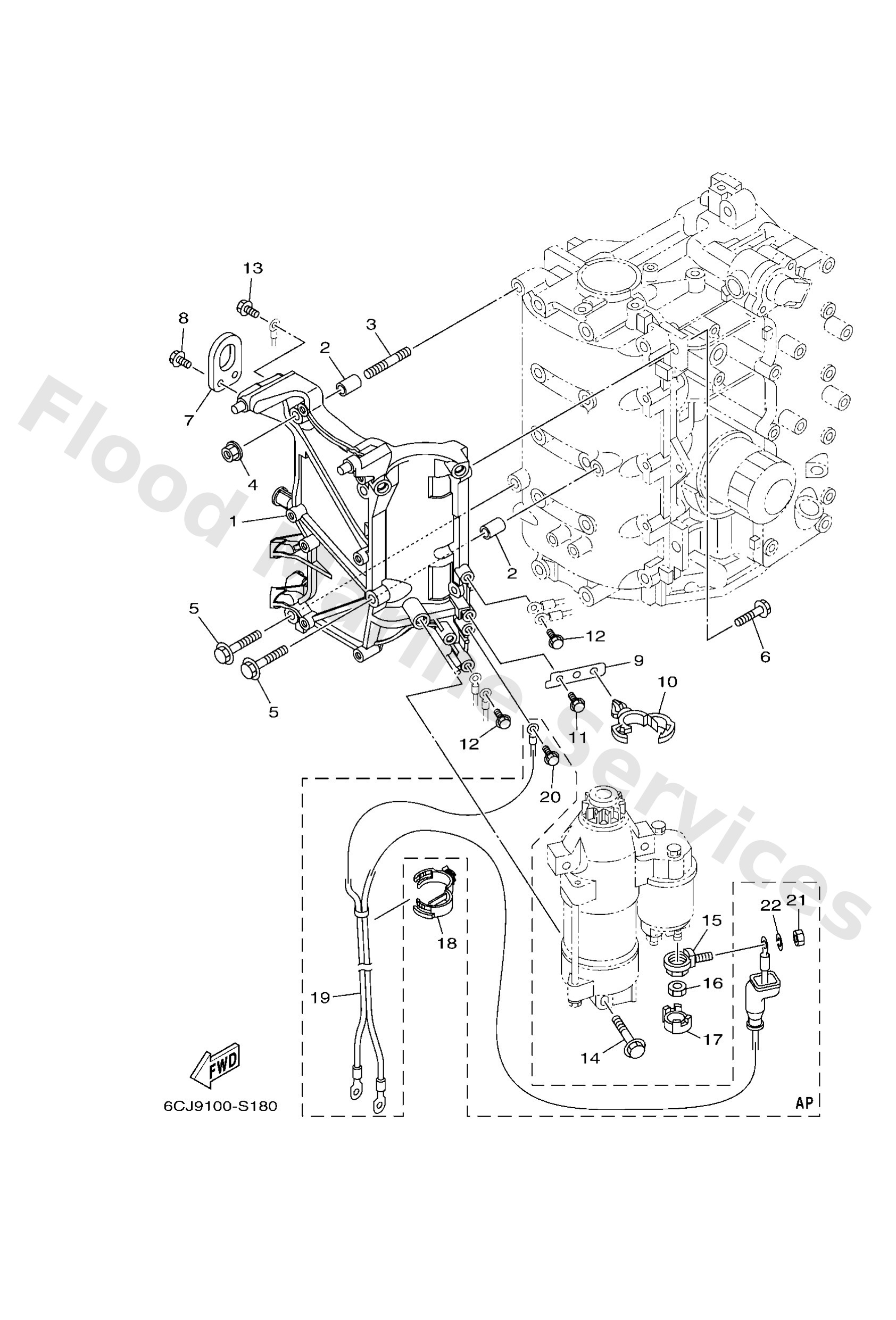
Bracket, starting motor
Diagram Reference: 1
Pin, dowel(3vd)
Diagram Reference: 2
Bolt, stud
Diagram Reference: 3
Nut
Diagram Reference: 4
Bolt, hexagon w/w deep recess
Diagram Reference: 5
Bolt, hexagon w/w deep recess
Diagram Reference: 6
Hanger, engine
Diagram Reference: 7
Bolt, hexagon w/w deep recess
Diagram Reference: 8
Plate
Diagram Reference: 9
Clamp(4ap)
Diagram Reference: 10
97E9506516 (AP)
Bolt, hexagon w/w deep recess
Diagram Reference: 20
Bolt, with washer
Diagram Reference: 14
Terminal
Diagram Reference: 15
Nut
Diagram Reference: 16
Cover, wire harness
Diagram Reference: 17
Clamp
Diagram Reference: 18
6C582105U2 (AP)
Battery cable
Diagram Reference: 19
9533308600 (AP)
Nut(6l2)
Diagram Reference: 21
9290308100 (AP)
Ybs67-8 washer, spring
Diagram Reference: 22