Genuine Yamaha Outboard Parts Diagrams | Flood Marine
New Search
Parts
New Outboards
Home
F300DET (2025)
ELECTRICAL 5
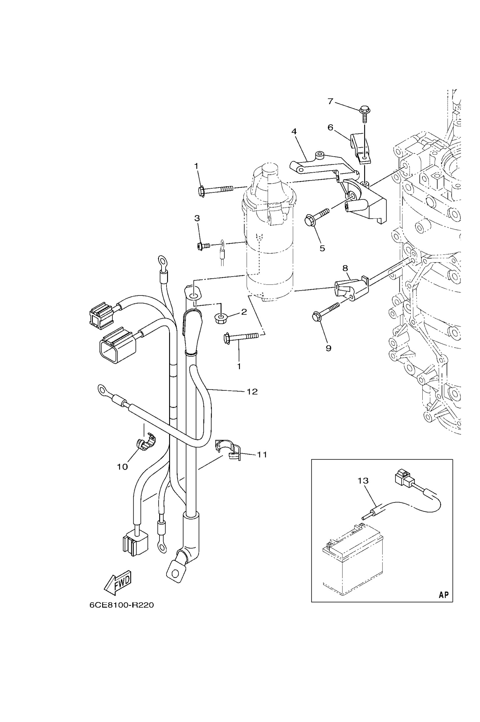
Diagram: ELECTRICAL 5
Parts List
9751308545
Bolt, with washer
Diagram Reference: 1
Get Part
9017908003
Nut
Diagram Reference: 2
Get Part
9798504308
Screw, with washer
Diagram Reference: 3
Get Part
6CB8182202
Bracket, starting motor
Diagram Reference: 4
Get Part
9010508M87
Bolt, washer based
Diagram Reference: 5
Get Part
6CB8144300
Clamp, lead 1
Diagram Reference: 6
Get Part
95D9506016
Bolt, flange deep recess
Diagram Reference: 7
Get Part
6CB81823A0
Stay, starting motor
Diagram Reference: 8
Get Part
9010506151
Bolt, flange
Diagram Reference: 9
Get Part
9046413227
Clamp
Diagram Reference: 10
Get Part
9046418004
Clamp
Diagram Reference: 11
Get Part
6CE8259M01
Wire harness assembly 2
Diagram Reference: 12
Get Part
6KW8194900
(AP)
Wire, lead (isolator cable)
Diagram Reference: 13
Get Part