Genuine Yamaha Outboard Parts Diagrams | Flood Marine
New Search
Parts
New Outboards
Home
VF150XB (2025)
ELECTRICAL 5
Diagram: ELECTRICAL 5
Parts List
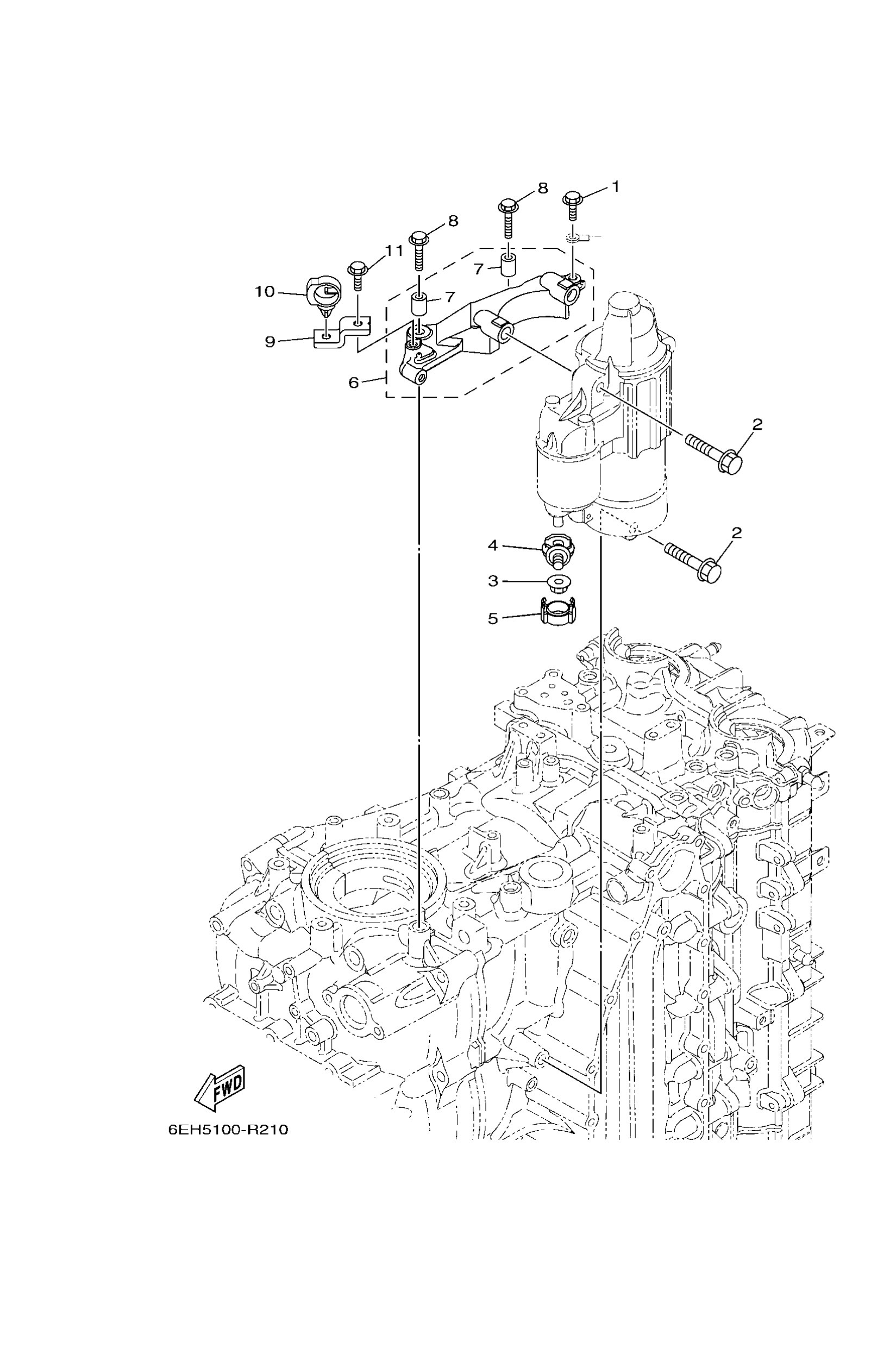
97E9506516
Bolt, hexagon w/w deep recess
Diagram Reference: 1
Get Part
9751308545
Bolt, with washer
Diagram Reference: 2
Get Part
9017908003
Nut
Diagram Reference: 3
Get Part
60V8192500
Terminal
Diagram Reference: 4
Get Part
68F8258200
Cover, wire harness
Diagram Reference: 5
Get Part
6DA8182200
Bracket, starting motor
Diagram Reference: 6
Get Part
9959010114
Pin, dowel
Diagram Reference: 7
Get Part
9010508M87
Bolt, washer based
Diagram Reference: 8
Get Part
6DA8238800
Plate
Diagram Reference: 9
Get Part
9046420181
Clamp(4ap)
Diagram Reference: 10
Get Part
95D9506016
Bolt, flange deep recess
Diagram Reference: 11
Get Part