Yamaha Outboard Parts - Electrical - 50DEMTO (1991) | Flood Marine
New Search
Parts
New Outboards
Home
50DEMTO (1991)
Electrical
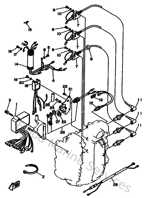
Diagram: Electrical
Parts List
Reference
Description
Price
1
6H5855400100
C.d.i. Unit assembly
Loading…
↗
2
9046513M3600
Clamp(6h4)
Loading…
↗
3
9011906M5100
Bolt, with washer(6h4)
Loading…
↗
5
973130601400
Bolt(gj3)
Loading…
↗
6
929900660000
Washer, plain (646)
Loading…
↗
7
6H5855700000
Ignition coil assembly
Loading…
↗
8
904802516100
Grommet(656)
Loading…
↗
9
973130602000
Bolt(7u8)
Loading…
↗
11
6G1823702000
Plug cap assembly
Loading…
↗
12
689825600000
Thermo switch assembly
Loading…
↗
13
9044610M0200
Tube (6e5)
Loading…
↗
14
6G1835570000
Tube
Loading…
↗
15
9046405M1600
Clamp(6j8)
Loading…
↗
18
6J8819600000
Rectifier & regulator assembly
Loading…
↗
19
973950601200
Bolt(gh1)
Loading…
↗
21
6H4819750200
Plate, rectifier fitting
Loading…
↗
23
973030601200
Bolt(gh1)
Loading…
↗
24
9046412M3500
Clamp(6h4)
Loading…
↗
26
682843810000
2p concent 1
Loading…
↗
27
9020226M4500
Washer, plate(6h4)
Loading…
↗
28
6J8821051000
Battery cable
Loading…
↗