Yamaha Outboard Parts - Electrical 2 - F45A (1999) | Flood Marine
New Search
Parts
New Outboards
Home
F45A (1999)
Electrical 2
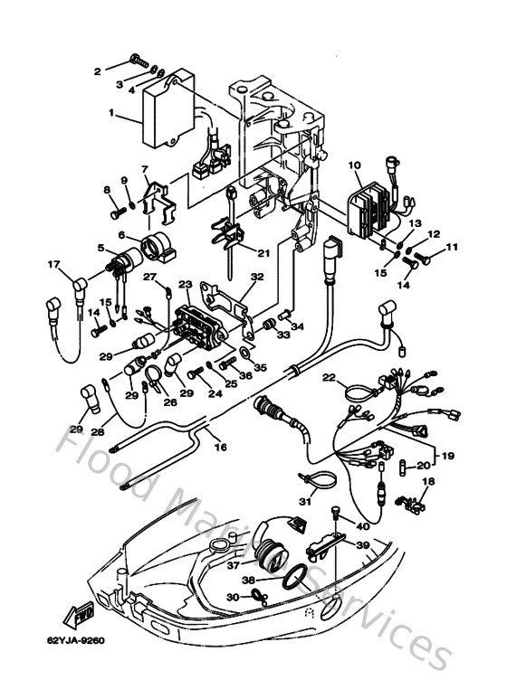
Diagram: Electrical 2
Parts List
Reference
Description
Price
1
62Y855400200
C.d.i. Unit assembly
Loading…
↗
2
970950602000
Bolt(7u8)
Loading…
↗
3
929950610000
Washer(6a1)
Loading…
↗
4
929950660000
Washer, plain (646)
Loading…
↗
5
6G1819411000
Starter relay
Loading…
↗
6
6G1819520000
Holder, relay
Loading…
↗
7
6L2819450000
Plate, switch fitting
Loading…
↗
8
970950601400
Bolt(gj3)
Loading…
↗
11
9010106M2700
Bolt
Loading…
↗
14
970950601200
Bolt(gh1)
Loading…
↗
16
66T82105J100
Battery cable
Loading…
↗
17
6E5821170000
Wire, lead
Loading…
↗
18
6G5821520000
Holder, fuse
Loading…
↗
19
62Y825901000
Wire Harness assembly
Loading…
↗
20
682821510000
Fuse
Loading…
↗
21
688825940000
Clamp
Loading…
↗
22
9046513M2400
Band, switch cord
Loading…
↗
23
6H1819500000
Relay aasy
Loading…
↗
24
970950602500
Bolt
Loading…
↗
26
80L263970000
Band
Loading…
↗
27
6H2819490100
Wire, lead
Loading…
↗
28
61A819490000
Wire, lead
Loading…
↗
29
682821190100
Cover, lead wire
Loading…
↗
30
904641603900
Clamp (3y2)
Loading…
↗
32
62Y819480000
Bracket
Loading…
↗
33
6A0823170000
Damper, ignition coil
Loading…
↗
34
624425420000
Collar
Loading…
↗
35
9020112M1600
Washer, plate (679)
Loading…
↗
36
958950602500
Bolt, flange deep recess
Loading…
↗
37
63D825631000
Trim & tilt switch assembly
Loading…
↗
38
6E5825870000
Gasket
Loading…
↗
39
62Y836140000
Bracket
Loading…
↗