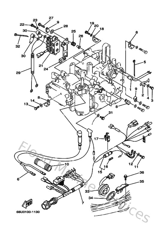
Yamaha Outboard Parts - Electrical 2 - FT25BE (2001) | Flood Marine

Diagram: Electrical 2

Diagram