Genuine Yamaha Outboard Parts Diagrams | Flood Marine
New Search
Parts
New Outboards
Home
60FET (2025)
FUEL
Diagram: FUEL
Parts List
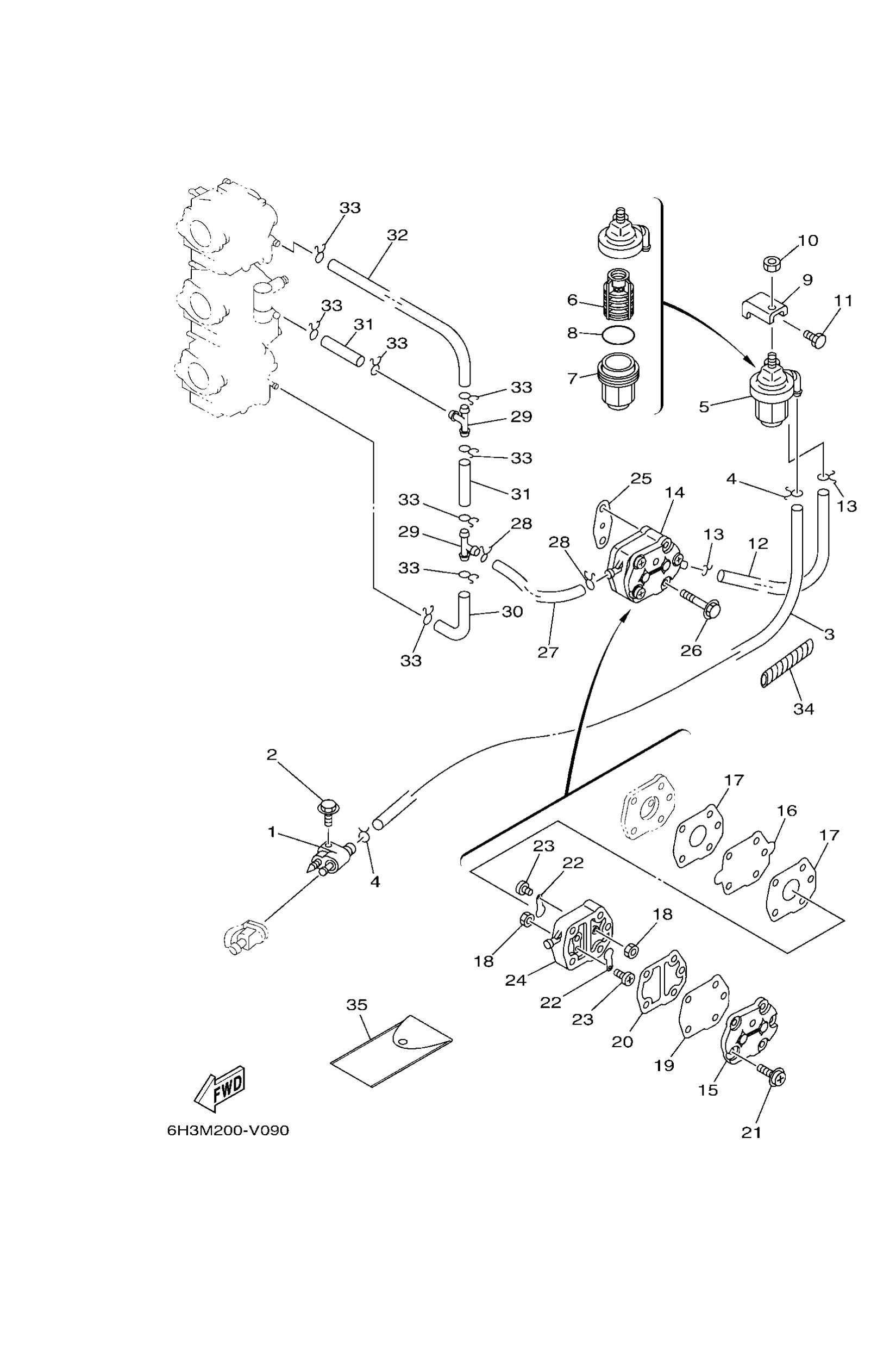
6G12430411
Fuel pipe joint comp. 1
Diagram Reference: 1
Get Part
97E9506525
Bolt, hexagon w/w deep recess
Diagram Reference: 2
Get Part
9044509M75
Hose (l1500)
Diagram Reference: 3
Get Part
9046708004
Clip, pipe 6162435600
Diagram Reference: 4
Get Part
61N2456000
Filter assembly
Diagram Reference: 5
Get Part
61N2456300
Element, filter
Diagram Reference: 6
Get Part
61N2452100
Cup, filter
Diagram Reference: 7
Get Part
9321032738
O-ring(1wg)
Diagram Reference: 8
Get Part
6482456602
Bracket, filter
Diagram Reference: 9
Get Part
9538008600
Nut (661)
Diagram Reference: 10
Get Part
9701306014
Bolt(gj3)
Diagram Reference: 11
Get Part
9044509072
Hose (l1500)
Diagram Reference: 12
Get Part
6922441001
Fuel pump assembly
Diagram Reference: 14
Get Part
6A02441300
Cover, pump
Diagram Reference: 15
Get Part
6922441100
Diaphragm
Diagram Reference: 16
Get Part
6482443401
Gasket, body
Diagram Reference: 17
Get Part
9538003600
Nut (6g8)
Diagram Reference: 18
Get Part
6632441100
Diaphragm
Diagram Reference: 19
Get Part
6482443503
Gasket, body 2
Diagram Reference: 20
Get Part
9798005128
Screw, with washer
Diagram Reference: 21
Get Part
6A02442101
Valve, check
Diagram Reference: 22
Get Part
6A01432500
Screw, pan head
Diagram Reference: 23
Get Part
6A02441202
Body 1
Diagram Reference: 24
Get Part
65024431A0
Gasket,fuel pump
Diagram Reference: 25
Get Part
97E9506540
Bolt, hexagon w/w deep recess
Diagram Reference: 26
Get Part
6882437800
Pipe, joint
Diagram Reference: 29
Get Part
6H32431300
Pipe, fuel 2
Diagram Reference: 30
Get Part
9044509220
Hose (l1500)
Diagram Reference: 31
Get Part
6H32431400
Pipe 4
Diagram Reference: 32
Get Part
9044610M01
(60F,70B-O/I)
Tube (6e5)
Diagram Reference: 34
Get Part
656W281003
Tool kit
Diagram Reference: 35
Get Part