Genuine Yamaha Outboard Parts Diagrams | Flood Marine
New Search
Parts
New Outboards
Home
LF115B (2025)
FUEL 1
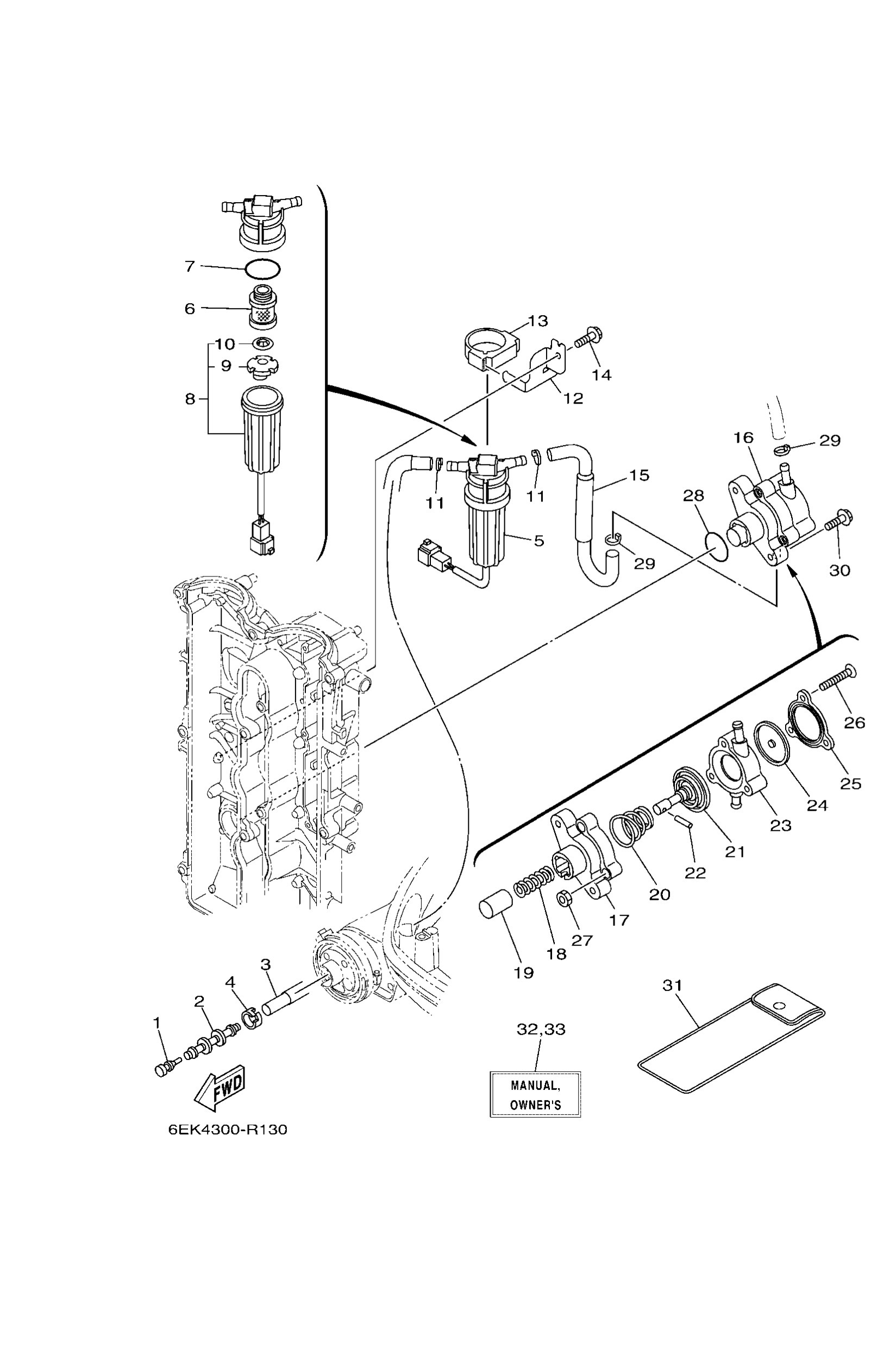
Diagram: FUEL 1
Parts List
6898554701
Damper
Diagram Reference: 1
Get Part
6AW2437701
Pipe, joint 2
Diagram Reference: 2
Get Part
6EK2431400
Pipe 4
Diagram Reference: 3
Get Part
6E52435151
Band 1
Diagram Reference: 4
Get Part
6EK2456000
Filter assembly
Diagram Reference: 5
Get Part
6D82456300
Element, filter (with tag)
Diagram Reference: 6
Get Part
6D82456400
Gasket
Diagram Reference: 7
Get Part
6D82456200
Cup, filter (with tag)
Diagram Reference: 8
Get Part
6D82446900
Float, water level
Diagram Reference: 9
Get Part
6D82451900
Clip
Diagram Reference: 10
Get Part
9046511M10
Clamp
Diagram Reference: 11
Get Part
6EK2456600
Bracket, filter
Diagram Reference: 12
Get Part
6EK2456800
Band, filter
Diagram Reference: 13
Get Part
95D9506016
Bolt, flange deep recess
Diagram Reference: 14
Get Part
6EK2431100
Pipe, fuel 1
Diagram Reference: 15
Get Part
6EK2441000
Fuel pump assembly
Diagram Reference: 16
Get Part
68V2441200
Body 1
Diagram Reference: 17
Get Part
68V2445400
Spring
Diagram Reference: 18
Get Part
63P1313100
Plunger
Diagram Reference: 19
Get Part
63P2442300
Spring, diaphragm
Diagram Reference: 20
Get Part
68V2441100
Diaphragm
Diagram Reference: 21
Get Part
68V2437400
Pin
Diagram Reference: 22
Get Part
6EK2441300
Body 2
Diagram Reference: 23
Get Part
68V2447110
Diaphragm
Diagram Reference: 24
Get Part
6EK2441400
Body 3
Diagram Reference: 25
Get Part
68V2444400
Screw
Diagram Reference: 26
Get Part
68V2414900
Nut
Diagram Reference: 27
Get Part
9321030682
O-ring (371)
Diagram Reference: 28
Get Part
9010506208
Bolt, washer based
Diagram Reference: 30
Get Part
67F2810003
(AP)
Tool kit
Diagram Reference: 31
Get Part
6EK281997AF0
(UR (F))
Manual,Owner's
Diagram Reference: 32
Get Part
6EK281997AH0
(UR (I))
Manual,Owner's
Diagram Reference: 32
Get Part
6EK281997AD0
(UR (NL))
Manual,Owner's
Diagram Reference: 32
Get Part
6EK281997AG0
(UR (D))
Manual,Owner's
Diagram Reference: 32
Get Part
6EK281997AS0
(UR (ES))
Manual,Owner's
Diagram Reference: 32
Get Part
6EK281997AE0
(UR (E))
Manual,Owner's
Diagram Reference: 32
Get Part
6EK281998AK0
(UR (DK))
Manual,Owner's
Diagram Reference: 33
Get Part
6EK281998AR0
(UR (GR))
Manual,Owner's
Diagram Reference: 33
Get Part
6EK281998AP0
(UR (P))
Manual,Owner's
Diagram Reference: 33
Get Part
6EK281998AN0
(UR (N))
Manual,Owner's
Diagram Reference: 33
Get Part
6EK281998AM0
(UR (S))
Manual,Owner's
Diagram Reference: 33
Get Part
6EK281998AL0
(UR (SF))
Manual,Owner's
Diagram Reference: 33
Get Part