Yamaha Outboard Parts - Fuel Injection Nozzle - LZ150Q (2001) | Flood Marine
New Search
Parts
New Outboards
Home
LZ150Q (2001)
Fuel Injection Nozzle
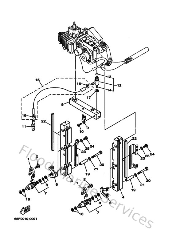
Diagram: Fuel Injection Nozzle
Parts List
Reference
Description
Price
1
68F137670000
Cap, injector
Loading…
↗
2
9011908M6000
Bolt (682)
Loading…
↗
3
68F131610000
Pipe, Delivery 1
Loading…
↗
4
68F131710000
Pipe, Delivery 2
Loading…
↗
5
68F139380000
Pipe
Loading…
↗
6
68F138980000
Holder
Loading…
↗
7
68F137610000
Injector assembly
Loading…
↗
8
68F1410B0000
Packing kit
Loading…
↗
9
68F138530000
Plate 3
Loading…
↗
10
68F244530000
Screw
Loading…
↗
11
68F243000000
Fuel pipe joint
Loading…
↗
12
68F135950000
Joint
Loading…
↗
13
68F244790000
O-Ring
Loading…
↗
14
68F244890000
O-Ring
Loading…
↗
15
68F139720000
Pipe, Fuel 2
Loading…
↗
16
65L243870000
Clip
Loading…
↗
17
68F241740000
Spacer 1
Loading…
↗
18
68F137640000
Gasket (t=2.2)
Loading…
↗
19
68F137160000
Collar
Loading…
↗
20
970130805500
Bolt, hexagon
Loading…
↗
21
929901010000
Ybs67-10 washer, spring
Loading…
↗
22
68F2411J0000
Damper, Side Cover
Loading…
↗
23
68F825440000
Clamp
Loading…
↗
24
970130601200
Bolt(gh1)
Loading…
↗
25
929030660000
Washer, plain (646)
Loading…
↗