Genuine Yamaha Outboard Parts Diagrams | Flood Marine
New Search
Parts
New Outboards
Home
VF150XB (2025)
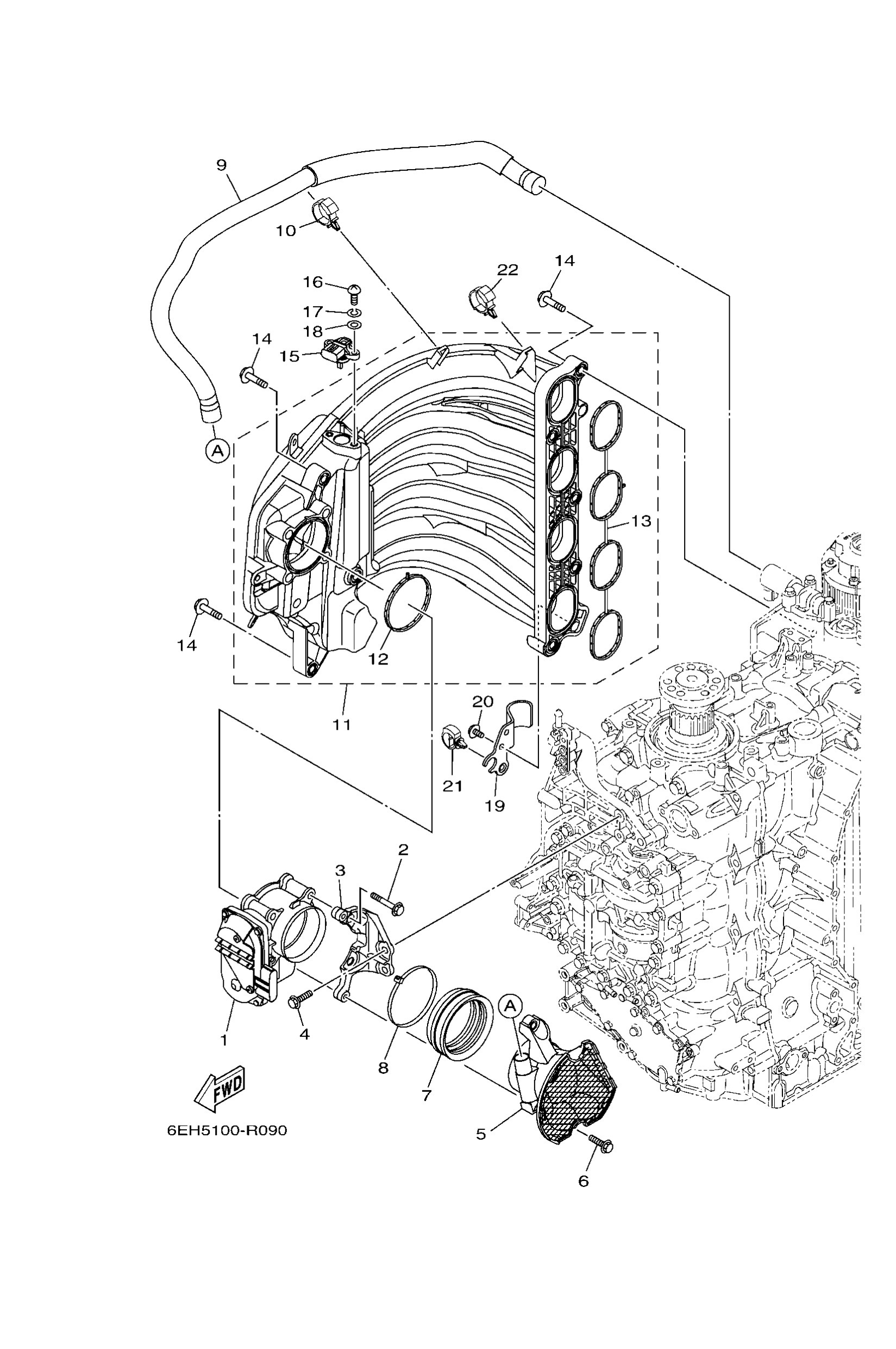
INTAKE 1
Diagram: INTAKE 1
Parts List
6DA1375102
Body, throttle 1
Diagram Reference: 1
Get Part
97E7508560
Bolt, hexagon w/w deep recess
Diagram Reference: 2
Get Part
6DA1315200
Stay 2
Diagram Reference: 3
Get Part
95D7506025
Bolt, flange deep recess
Diagram Reference: 4
Get Part
6DA1444000
Silencer assembly, intake
Diagram Reference: 5
Get Part
6P21441J01
Pipe, silencer
Diagram Reference: 7
Get Part
9046499004
Clamp
Diagram Reference: 8
Get Part
6DA1537300
Pipe, breather
Diagram Reference: 9
Get Part
9046412183
Clamp(jn2)
Diagram Reference: 10
Get Part
6DA1364100
Manifold, intake 1
Diagram Reference: 11
Get Part
6DA1364600
Gasket, manifold 2
Diagram Reference: 12
Get Part
6DA1364500
Gasket, manifold 1
Diagram Reference: 13
Get Part
9011908020
Bolt, with washer
Diagram Reference: 14
Get Part
68F8368810
Sensor assembly
Diagram Reference: 15
Get Part
9788505016
Screw, pan head(6b0)
Diagram Reference: 16
Get Part
9299505100
Ybs67-5 washer, spring
Diagram Reference: 17
Get Part
9299505600
Washer, plain (646)
Diagram Reference: 18
Get Part
6DA1388100
Cover 1
Diagram Reference: 19
Get Part
95D9506012
Bolt, flange deep recess
Diagram Reference: 20
Get Part
9046420181
Clamp(4ap)
Diagram Reference: 21
Get Part