Genuine Yamaha Outboard Parts Diagrams | Flood Marine

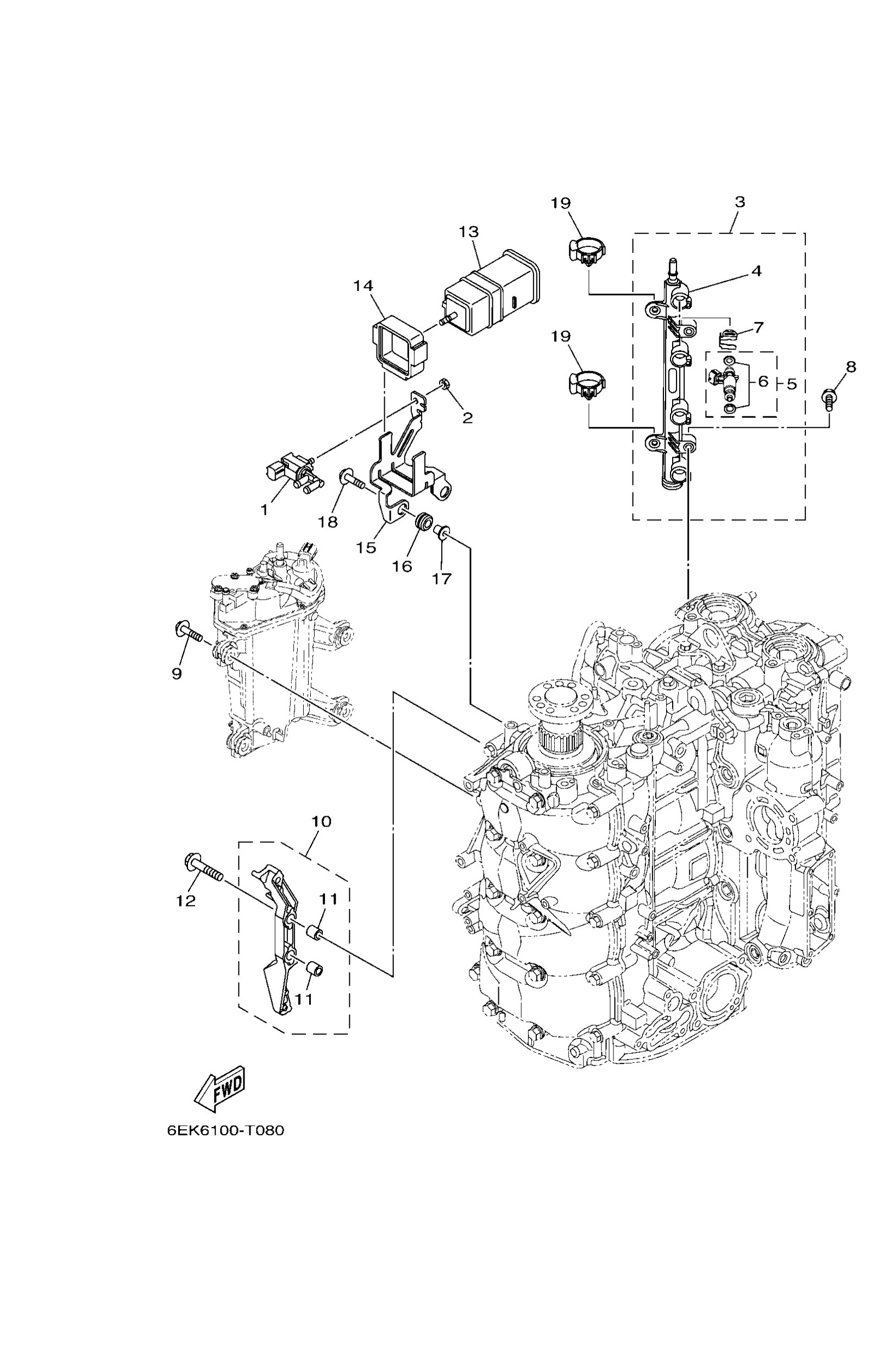
Diagram: INTAKE 2

Diagram

Parts List

Solenoid valve assembly
Diagram Reference: 1
Nut(661)
Diagram Reference: 2
Delivery pipe assembly 1
Diagram Reference: 3
Pipe, delivery 1
Diagram Reference: 4
Injector
Diagram Reference: 5
Packing kit
Diagram Reference: 6
Clip
Diagram Reference: 7
Bolt (689)
Diagram Reference: 8
Bolt, with washer
Diagram Reference: 9
Bracket 1
Diagram Reference: 10
Pin, dowel
Diagram Reference: 11
Bolt, washer based
Diagram Reference: 12
Canister assembly
Diagram Reference: 13
Cover, canister
Diagram Reference: 14
Bracket, canister
Diagram Reference: 15
Grommet(6k7)
Diagram Reference: 16
Collar
Diagram Reference: 17
Bolt, with washer
Diagram Reference: 18
Clamp(m80)
Diagram Reference: 19