Genuine Yamaha Outboard Parts Diagrams | Flood Marine
New Search
Parts
New Outboards
Home
F50LET (2025)
INTAKE 3
Diagram: INTAKE 3
Parts List
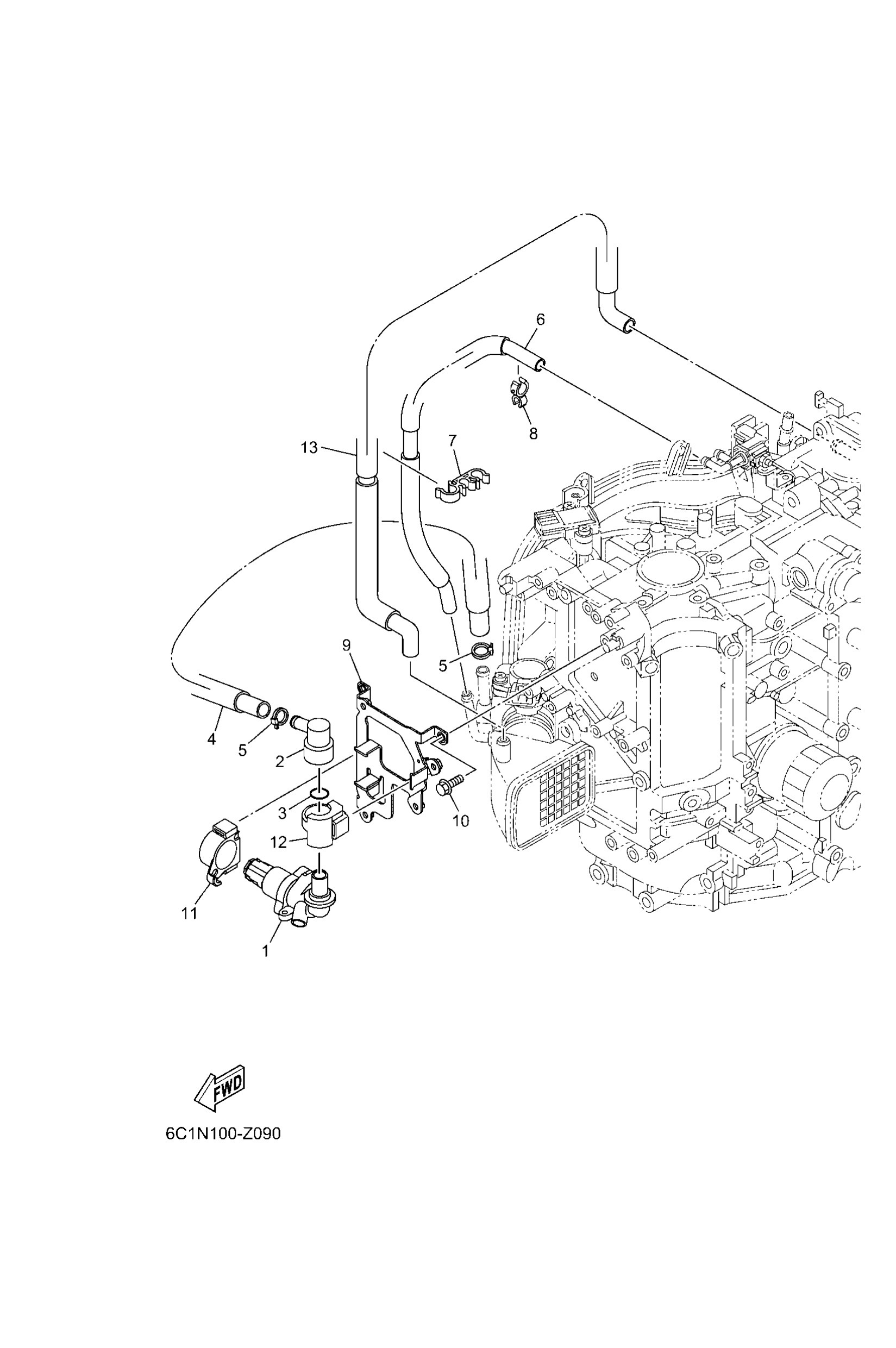
6C51371302
Valve, idle speed control
Diagram Reference: 1
Get Part
6CJ1137200
Nipple, hose
Diagram Reference: 2
Get Part
9321033003
O-ring
Diagram Reference: 3
Get Part
6CJ1354310
Hose, air
Diagram Reference: 4
Get Part
9046511M10
Clamp
Diagram Reference: 5
Get Part
6CJ1257600
Hose 1
Diagram Reference: 6
Get Part
9046415008
Clamp
Diagram Reference: 7
Get Part
9046412006
Clamp
Diagram Reference: 8
Get Part
6C58258800
Plate
Diagram Reference: 9
Get Part
97E9506516
Bolt, hexagon w/w deep recess
Diagram Reference: 10
Get Part
6C58257200
-
Diagram Reference: 11
Get Part
6C58257300
-
Diagram Reference: 12
Get Part
6C51531A20
Hose, breather 1
Diagram Reference: 13
Get Part