Yamaha Outboard Parts - Lower Casing & Drive - 100AETO (1996) | Flood Marine
New Search
Parts
New Outboards
Home
100AETO (1996)
Lower Casing & Drive
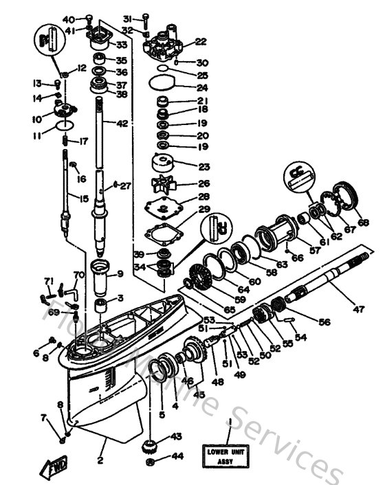
Diagram: Lower Casing & Drive
Parts List
Reference
Description
Price
2
6E545301038D
Casing, lower
Loading…
↗
3
93315628U900
Brg,cyl-cal roller (6e5)
Loading…
↗
4
93332000U700
Brg,tapered roller 76mm (6e5)
Loading…
↗
5
6E5455670130
Shim (t:0.30mm)
Loading…
↗
6
9034008M0400
Plug, straight screw
Loading…
↗
7
688453411000
Plug, drain
Loading…
↗
8
904300802000
Gasket
Loading…
↗
9
6E5455360000
Sleeve, drive shaft
Loading…
↗
10
6E5453210000
Plate
Loading…
↗
11
932105867700
O-ring(47x)
Loading…
↗
12
931060901400
Oil seal
Loading…
↗
13
970950602000
Bolt(7u8)
Loading…
↗
14
9020906M0400
Washer
Loading…
↗
15
6E5441500200
Shift cam assembly
Loading…
↗
16
990010860000
Circlip(2r6)
Loading…
↗
17
9050111M1000
Spring, compression (663)
Loading…
↗
18
61A455380000
Spacer, 1
Loading…
↗
19
9020122M0100
Washer, plate(61a)
Loading…
↗
20
9020622M1900
Washer, wave(61a)
Loading…
↗
21
61A455270000
Collar, drive shaft
Loading…
↗
22
61A443110100
Housing, water pump
Loading…
↗
23
61A443220000
Insert, cartridge
Loading…
↗
24
9321086M3800
O-ring (6e5)
Loading…
↗
25
9321037M6700
O-ring (6g8)
Loading…
↗
26
6E5443520000
Impeller
Loading…
↗
27
9028004M0500
Key, woodruff (6e5)
Loading…
↗
28
6E5443230000
Outer plate, cartridge
Loading…
↗
29
6E544315A000
Gasket,water pump
Loading…
↗
30
936061201900
Pin, dowel (614)
Loading…
↗
31
970950804500
Bolt, hexagon
Loading…
↗
32
9020908M0200
Washer, plate (688)
Loading…
↗
33
6E5453310094
Housing, bearing
Loading…
↗
34
9310128M1600
Oil seal (6e5)
Loading…
↗
35
93315430V500
Bearing, cylindrical(6k0)
Loading…
↗
36
6E5455876000
Shim (t:0.50mm)
Loading…
↗
37
93341930V200
Bearing, thrust(64d)
Loading…
↗
38
932105453400
O-ring (70e)
Loading…
↗
39
6E5453440000
Cover, oil seal
Loading…
↗
40
970950802500
Bolt (62g)
Loading…
↗
41
929950860000
Washer, plain (663)
Loading…
↗
42
6E5455010100
Drive shaft comp.
Loading…
↗
43
6E5455510200
Pinion
Loading…
↗
44
9017016M0100
Nut, hexagon (688)
Loading…
↗
45
6E5455600100
Gear 1 assembly
Loading…
↗
46
93315425U700
Brg,cyl-cal roller (6e5)
Loading…
↗
47
6E5456110100
Shaft, propeller
Loading…
↗
48
6E5456410100
Shifter
Loading…
↗
49
6E5456340100
Slide, shift
Loading…
↗
50
9050116M3700
Spring (6g5)
Loading…
↗
51
935073203100
Ball (12r)
Loading…
↗
52
935113202700
Ball (498)
Loading…
↗
53
935031601000
Ball
Loading…
↗
54
9025008M0700
Pin, straight (6g5)
Loading…
↗
55
6E5456310100
Clutch, dog
Loading…
↗
56
6E5456330100
Ring, cross pin
Loading…
↗
57
6E54533200CA
Housing, bearing
Loading…
↗
58
93306208U000
Brg,r-b 6208 80mm 345g (6e5)
Loading…
↗
59
6E5455710100
Gear 2
Loading…
↗
60
6E5455760000
Washer, thrust 2
Loading…
↗
61
93315430U800
Bearing
Loading…
↗
62
9310130M1700
Oil seal (6e5)
Loading…
↗
63
9321086M3900
O-ring (6e5)
Loading…
↗
64
6L6455776000
Shim (t:0.50mm)
Loading…
↗
65
9020130M9200
Washer (6g5)
Loading…
↗
66
902820401000
Key, strait(663)
Loading…
↗
67
688453830200
Washer, claw
Loading…
↗
68
688453840000
Nut
Loading…
↗
69
6E5453780000
Nipple, hose
Loading…
↗
70
9044507ME800
Hose (l250)
Loading…
↗
71
6E5835581000
End, nipple
Loading…
↗
1
663453760094
Guide, seal damper
Loading…
↗
2
688453750000
Damper, seal 2
Loading…
↗
3
688452140200
Cover, water inlet
Loading…
↗
4
688452150200
Cover, water inlet
Loading…
↗
5
9014205M0300
Screw, countersunk
Loading…
↗
6
901850590400
Nut nylon (sus)(ex4)
Loading…
↗
7
6E5453710100
Trim tab
Loading…
↗
8
9010510M6700
Bolt, hexagon (663)
Loading…
↗
9
9360812M0500
Pin, dowel b (6e5)
Loading…
↗
10
9010110M7000
Bolt(6j9)
Loading…
↗
11
9011910M8900
Bolt, with washer
Loading…
↗
12
6E5443650000
Damper, water seal 1
Loading…
↗
13
6E5443120000
Cover, water pump housing
Loading…
↗
14
6E5443660000
Damper, water seal 2
Loading…
↗
15
6E5443610000
Tube, water
Loading…
↗
17
9044507MF000
Hose (l1160)
Loading…
↗
18
6E5835580000
End, nipple
Loading…
↗
19
9046511M1000
Clamp
Loading…
↗
20
63P459870000
Spacer 1
Loading…
↗
21
688459970100
Spacer 2
Loading…
↗
22
929901820000
Washer (6e5)
Loading…
↗
23
9017118M0400
Nut, castle (6e5)
Loading…
↗
24
914904003000
Pin, cotter (663)
Loading…
↗
25
688459700398
Propeller (3x13"x19"-k)
Loading…
↗