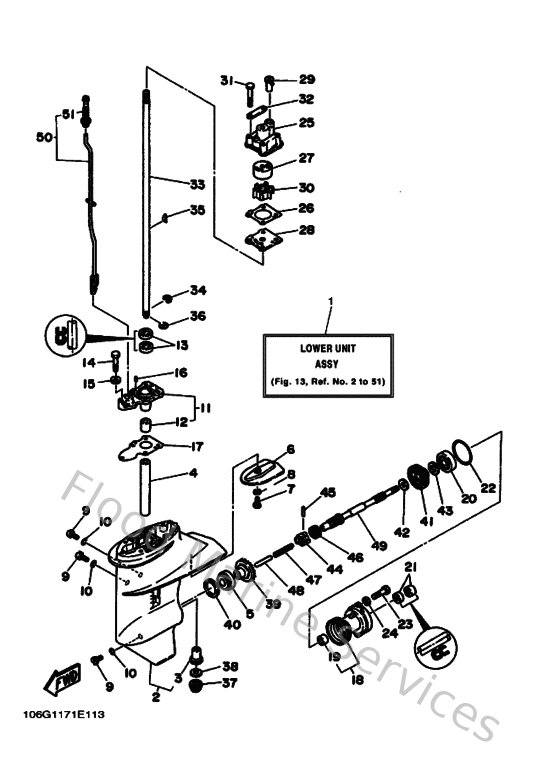
Yamaha Outboard Parts - Lower Casing & Drive 1 - 6CEM (1992) | Flood Marine

Diagram: Lower Casing & Drive 1

Diagram

Parts List

Reference
Description
Price