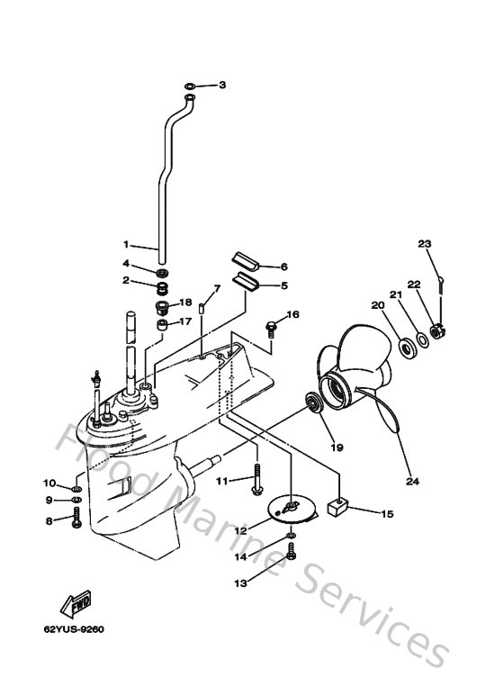
Yamaha Outboard Parts - Lower Casing & Drive 2 - F45A (1999) | Flood Marine

Diagram: Lower Casing & Drive 2

Diagram