Yamaha Outboard Parts - Lower Casing & Drive 2 - FT25BE (2001) | Flood Marine

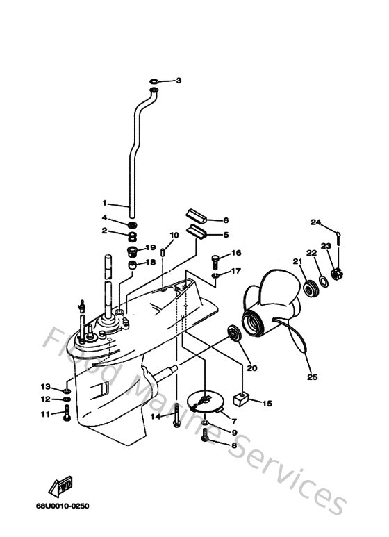
Diagram: Lower Casing & Drive 2

Diagram