Yamaha Outboard Parts - Lower Casing & Drive 3 - 200FETOL (1997) | Flood Marine

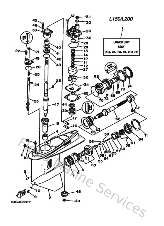
Diagram: Lower Casing & Drive 3

Diagram

Parts List

Reference
Description
Price