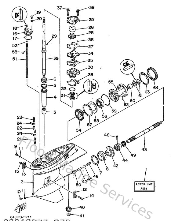
Yamaha Outboard Parts - Lower Casing. Drive 3 (FT50B) - F45A (1998) | Flood Marine

Diagram: Lower Casing. Drive 3 (FT50B)

Diagram

Parts List

Reference
Description
Price