Genuine Yamaha Outboard Parts Diagrams | Flood Marine
New Search
Parts
New Outboards
Home
F115B (2025)
OPTIONAL PARTS 5
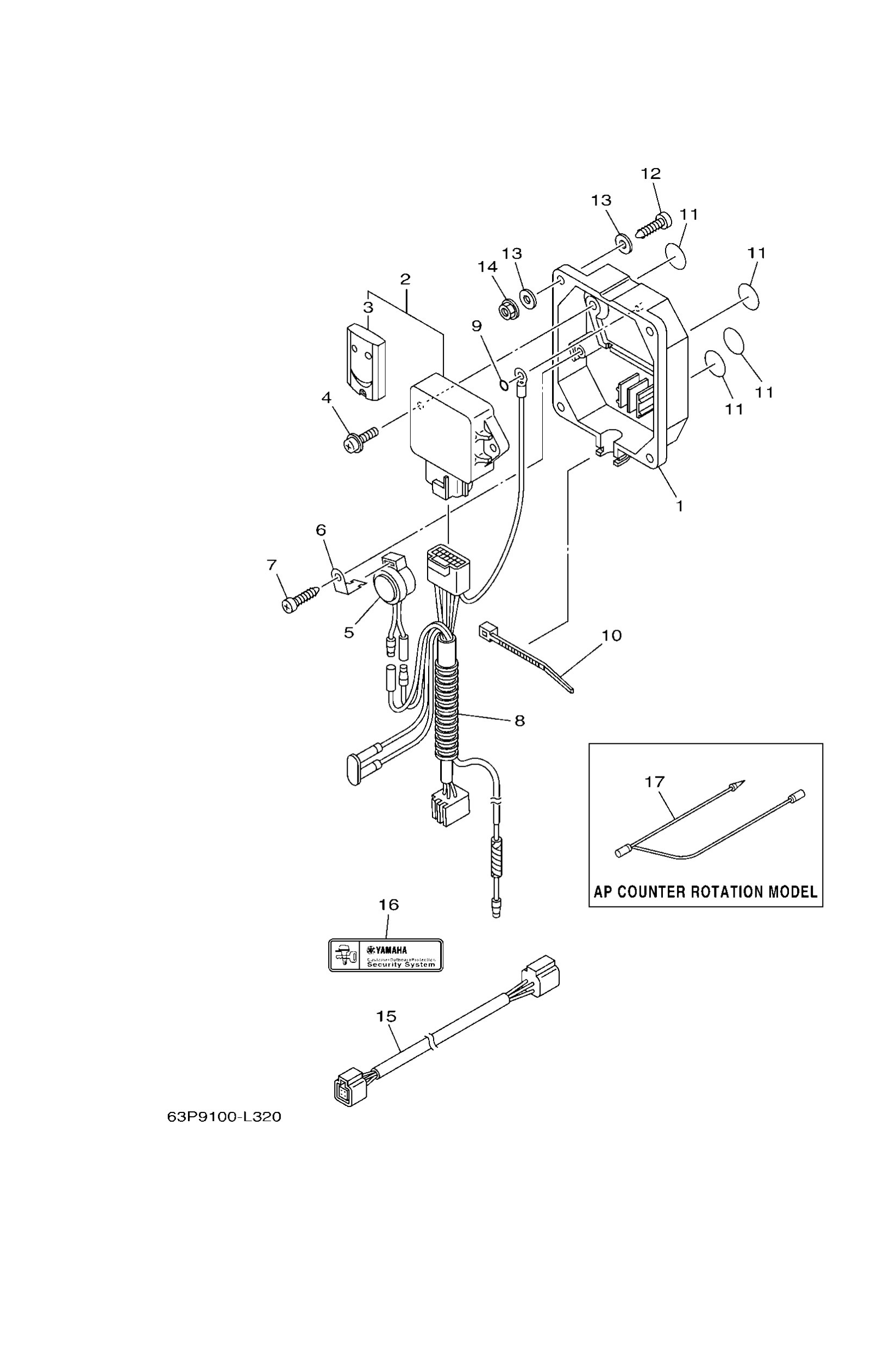
Diagram: OPTIONAL PARTS 5
Parts List
6Y88626700
Case complete 1
Diagram Reference: 1
Get Part
6Y88626003
Remote control unit assembly
Diagram Reference: 2
Get Part
6AA8626101
Xmtr. comp.
Diagram Reference: 3
Get Part
9798006216
Screw, with washer(6h2)
Diagram Reference: 4
Get Part
6X48338300
Buzzer
Diagram Reference: 5
Get Part
6X48338600
Stay, buzzer
Diagram Reference: 6
Get Part
9778060620
Screw, tapping(6k8)
Diagram Reference: 7
Get Part
6Y88250910
Wire, sub lead
Diagram Reference: 8
Get Part
9321004279
O-ring (4a0)
Diagram Reference: 9
Get Part
9046511M10
Clamp
Diagram Reference: 10
Get Part
6Y88454G00
Patch 1
Diagram Reference: 11
Get Part
9016706M00
(UR)
Screw, tapping (6h4)
Diagram Reference: 12
Get Part
9788006035
(UR)
Screw, pan head(6h4)
Diagram Reference: 12
Get Part
9020106M30
Washer, plate (6a1)
Diagram Reference: 13
Get Part
9578006300
Nut, nylon (6g1)
Diagram Reference: 14
Get Part
6Y88252111
Pigtail bus wire 0.6m-2ft
Diagram Reference: 15
Get Part
6Y84827700
Sticker 1
Diagram Reference: 16
Get Part
6H58131500
(AP)
Wire, lead
Diagram Reference: 17
Get Part