Yamaha Outboard Parts - Oil Tank - 115BETO (1990) | Flood Marine
New Search
Parts
New Outboards
Home
115BETO (1990)
Oil Tank
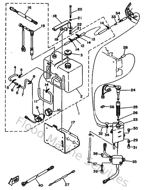
Diagram: Oil Tank
Parts List
Reference
Description
Price
2
6E5217330200
Sub tank, oil (10.5l)
Loading…
↗
3
6E5217700300
Oil tank cap assembly
Loading…
↗
4
6E5243220000
Pipe 11
Loading…
↗
5
9046513M1100
Clamp (6e5)
Loading…
↗
6
646242510200
Strainer 1
Loading…
↗
7
6E5243190100
Pipe, oil
Loading…
↗
9
6E5819000100
Oil feed pump assembly
Loading…
↗
10
6E5819220000
Grommet
Loading…
↗
11
6E5243210100
Pipe 10
Loading…
↗
12
6E5243790000
Pipe, joint 4
Loading…
↗
13
9044511M8100
Hose (l3000)
Loading…
↗
15
6E5857200100
Oil Level Gauge assembly
Loading…
↗
16
6E5857210100
Wire, Lead
Loading…
↗
17
6E5217340133
Holder, oil sub tank
Loading…
↗
18
6E5217980133
Bracket, damper
Loading…
↗
19
6E5217460000
Damper
Loading…
↗
20
973800610000
Bolt, hexagon
Loading…
↗
21
929900660000
Washer, plain (646)
Loading…
↗
22
953800660000
Nut(661)
Loading…
↗
23
6E5217500500
Oil tank assembly
Loading…
↗
24
6E5857301300
Oil Level Gauge assembly
Loading…
↗
25
6E5134110000
Strainer, oil
Loading…
↗
26
6E5134140000
Gasket, strainer cover
Loading…
↗
27
6E5813150200
Lead Wire assembly
Loading…
↗
28
9044505M0200
Hose (l700)
Loading…
↗
29
6A0823170000
Damper, ignition coil
Loading…
↗
30
624425420000
Collar
Loading…
↗
31
9011906M9500
Bolt, with washer
Loading…
↗
32
6E5243230000
Pipe 12
Loading…
↗
33
6E5244610000
Pipe, Joint
Loading…
↗
34
9046511M1000
Clamp
Loading…
↗
35
6E5WS8570000
Control unit kit
Loading…
↗
36
904641603900
Clamp (3y2)
Loading…
↗
39
9011906M6500
Bolt, with washer
Loading…
↗