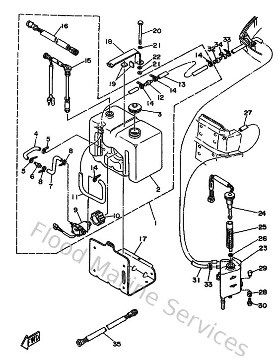
Yamaha Outboard Parts - Oil Tank - 175BETOL (1990) | Flood Marine

Diagram: Oil Tank

Diagram