Yamaha Outboard Parts - Optionnelles 1 - L225CETO (1994) | Flood Marine

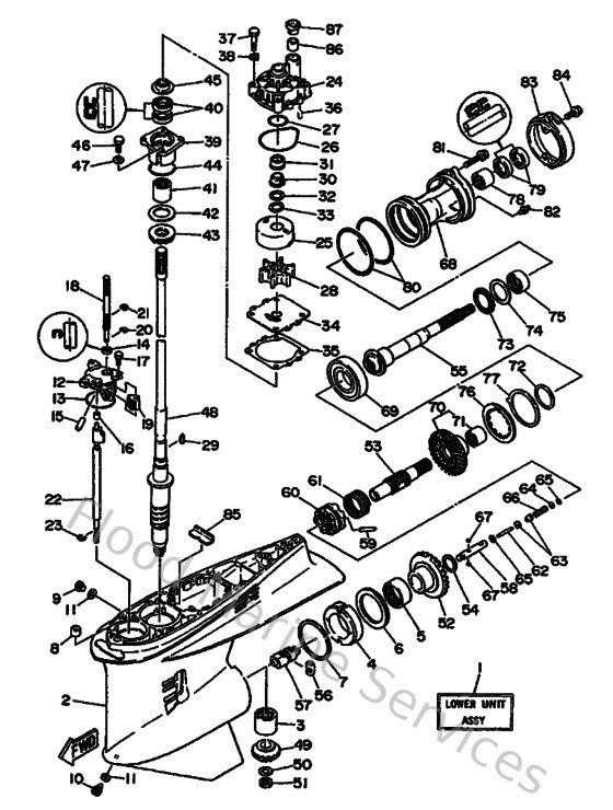
Diagram: Optionnelles 1

Diagram

Parts List

Reference
Description
Price