Genuine Yamaha Outboard Parts Diagrams | Flood Marine
New Search
Parts
New Outboards
Home
VF150XB (2025)
POWER TRIM & TILT ASSY 2
Diagram: POWER TRIM & TILT ASSY 2
Parts List
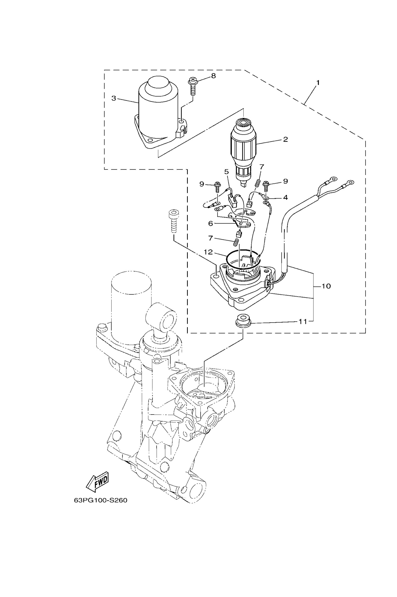
6KW4388001
Motor assembly
Diagram Reference: 1
Get Part
6EK4380501
Armature assembly
Diagram Reference: 2
Get Part
6EK4380411
Stator assembly
Diagram Reference: 3
Get Part
6EK4389200
Brush 2
Diagram Reference: 4
Get Part
63P8218120
Circuit breaker comp.
Diagram Reference: 5
Get Part
6EK4380F00
Plate, brush holder
Diagram Reference: 6
Get Part
62X4386K00
Spring, brush
Diagram Reference: 7
Get Part
63P4387910
Screw, with washer
Diagram Reference: 8
Get Part
9760204316
Screw, pan head with washer
Diagram Reference: 9
Get Part
63P4388122
Frame, end
Diagram Reference: 10
Get Part
6EK4388200
Oil seal
Diagram Reference: 11
Get Part
6EK4386201
O-ring
Diagram Reference: 12
Get Part