Genuine Yamaha Outboard Parts Diagrams | Flood Marine

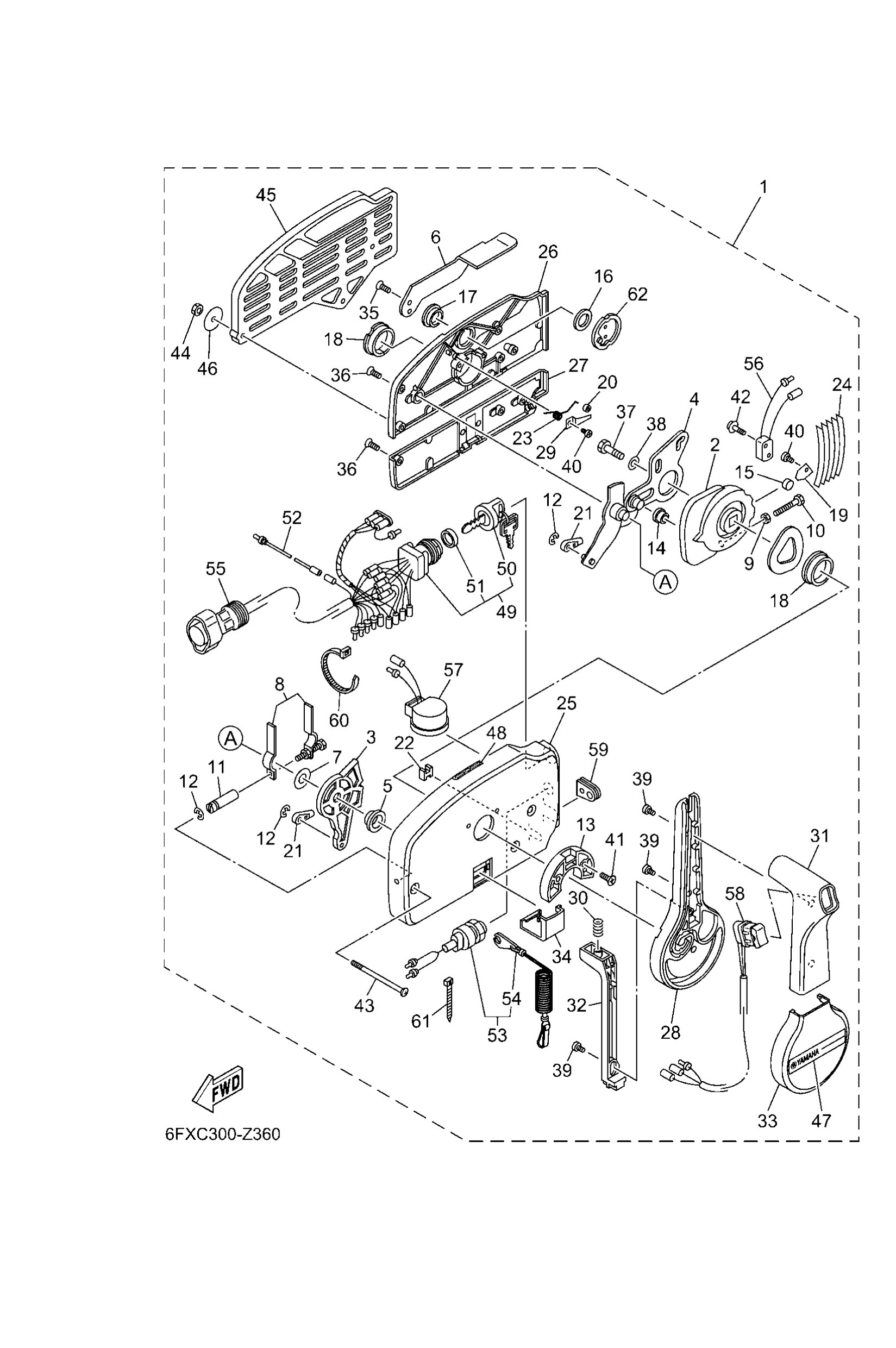
Diagram: REMOTE CONTROL ASSY

Diagram

Parts List

7034820525 (AP WITH PT/T SW.)
Remote control assembly (10p, ptt)
Diagram Reference: 1
Drive gear
Diagram Reference: 2
Arm, shift
Diagram Reference: 3
Arm, throttle
Diagram Reference: 4
Bushing
Diagram Reference: 5
Knob, free accel.
Diagram Reference: 6
Spacer 3
Diagram Reference: 7
Throttle, friction
Diagram Reference: 8
Nut, hexagon (663)
Diagram Reference: 9
Bolt
Diagram Reference: 10
Shaft, friction
Diagram Reference: 11
Circlip (701)
Diagram Reference: 12
Plate, lock
Diagram Reference: 13
Roller, cam
Diagram Reference: 14
Roller, free accel
Diagram Reference: 15
Washer, wave 3
Diagram Reference: 16
Bushing 3
Diagram Reference: 17
Bushing
Diagram Reference: 18
Retainer
Diagram Reference: 19
Roller, detent
Diagram Reference: 20
Cable end, remote control 2
Diagram Reference: 21
Anchor, cable
Diagram Reference: 22
Spring, free accel.
Diagram Reference: 23
Spring, detent
Diagram Reference: 24
Housing,1
Diagram Reference: 25
Back plate 1
Diagram Reference: 26
Back plate 2
Diagram Reference: 27
Lever, control
Diagram Reference: 28
Spacer 1
Diagram Reference: 29
Spring, neutral lock
Diagram Reference: 30
7034822220 (SINGLE)
Grip, control lever
Diagram Reference: 31
Lock, neutral
Diagram Reference: 32
Cover
Diagram Reference: 33
Cover, lead
Diagram Reference: 34
Screw, flat head
Diagram Reference: 35
Screw
Diagram Reference: 36
Bolt, hexagon (fj1)
Diagram Reference: 37
Washer, plain (663)
Diagram Reference: 38
Screw 2
Diagram Reference: 39
Screw, pan head (7h3)
Diagram Reference: 40
Screw
Diagram Reference: 41
Screw 3
Diagram Reference: 42
Screw
Diagram Reference: 43
Nut(661)
Diagram Reference: 44
7034829311 (SINGLE)
Spacer, remote control
Diagram Reference: 45
Washer 1
Diagram Reference: 46
Graphic
Diagram Reference: 47
Indicator, shift
Diagram Reference: 48
Main switch assembly
Diagram Reference: 49
Cap, key
Diagram Reference: 50
Cap
Diagram Reference: 51
Wire, lead
Diagram Reference: 52
Engine stop switch assembly
Diagram Reference: 53
Lanyard, stop switch
Diagram Reference: 54
6888258A20 ((10P))
10p main harness mec 2m (6ft)
Diagram Reference: 55
Neutral switch assembly
Diagram Reference: 56
Buzzer
Diagram Reference: 57
Trim & tilt switch assembly
Diagram Reference: 58
Grommet
Diagram Reference: 59
Band
Diagram Reference: 60
Band
Diagram Reference: 61
Shaft, free accel.
Diagram Reference: 62