Genuine Yamaha Outboard Parts Diagrams | Flood Marine
New Search
Parts
New Outboards
Home
F250NSB (2025)
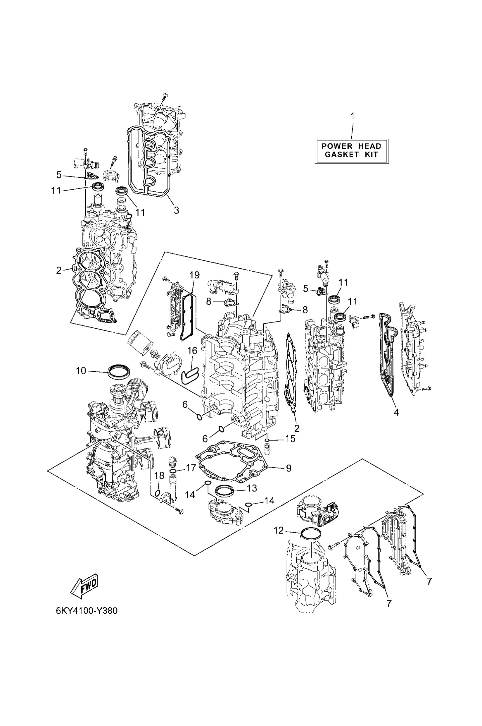
REPAIR KIT 1
Diagram: REPAIR KIT 1
Parts List
6CBW000105
Power head gasket kit
Diagram Reference: 1
Get Part
6CB1118100
Gasket, cylinder head 1
Diagram Reference: 2
Get Part
6CB1119300
Gasket, head cover 1
Diagram Reference: 3
Get Part
6CB1119400
Gasket, head cover 2
Diagram Reference: 4
Get Part
6CB1242F00
Gasket, filter
Diagram Reference: 5
Get Part
9321026658
O-ring(36y)
Diagram Reference: 6
Get Part
6CB1545101
Gasket, crankcase cover 1
Diagram Reference: 7
Get Part
6CB1242711
Gasket, housing cover 1
Diagram Reference: 8
Get Part
6KA1135100
Gasket, cylinder
Diagram Reference: 9
Get Part
9310285008
Oil seal
Diagram Reference: 10
Get Part
9310238008
Oil seal
Diagram Reference: 11
Get Part
6CB1355600
Gasket, manifold
Diagram Reference: 12
Get Part
6CB1135500
Seal, cylinder 1
Diagram Reference: 13
Get Part
6CB1347300
O-ring
Diagram Reference: 15
Get Part
6CB1347700
Gasket
Diagram Reference: 16
Get Part
9321024M79
O-ring
Diagram Reference: 17
Get Part
9321027370
O-ring(1kt)
Diagram Reference: 18
Get Part
6ML1131B00
Gasket, cover
Diagram Reference: 19
Get Part