Genuine Yamaha Outboard Parts Diagrams | Flood Marine
New Search
Parts
New Outboards
Home
F60HET (2025)
REPAIR KIT 1
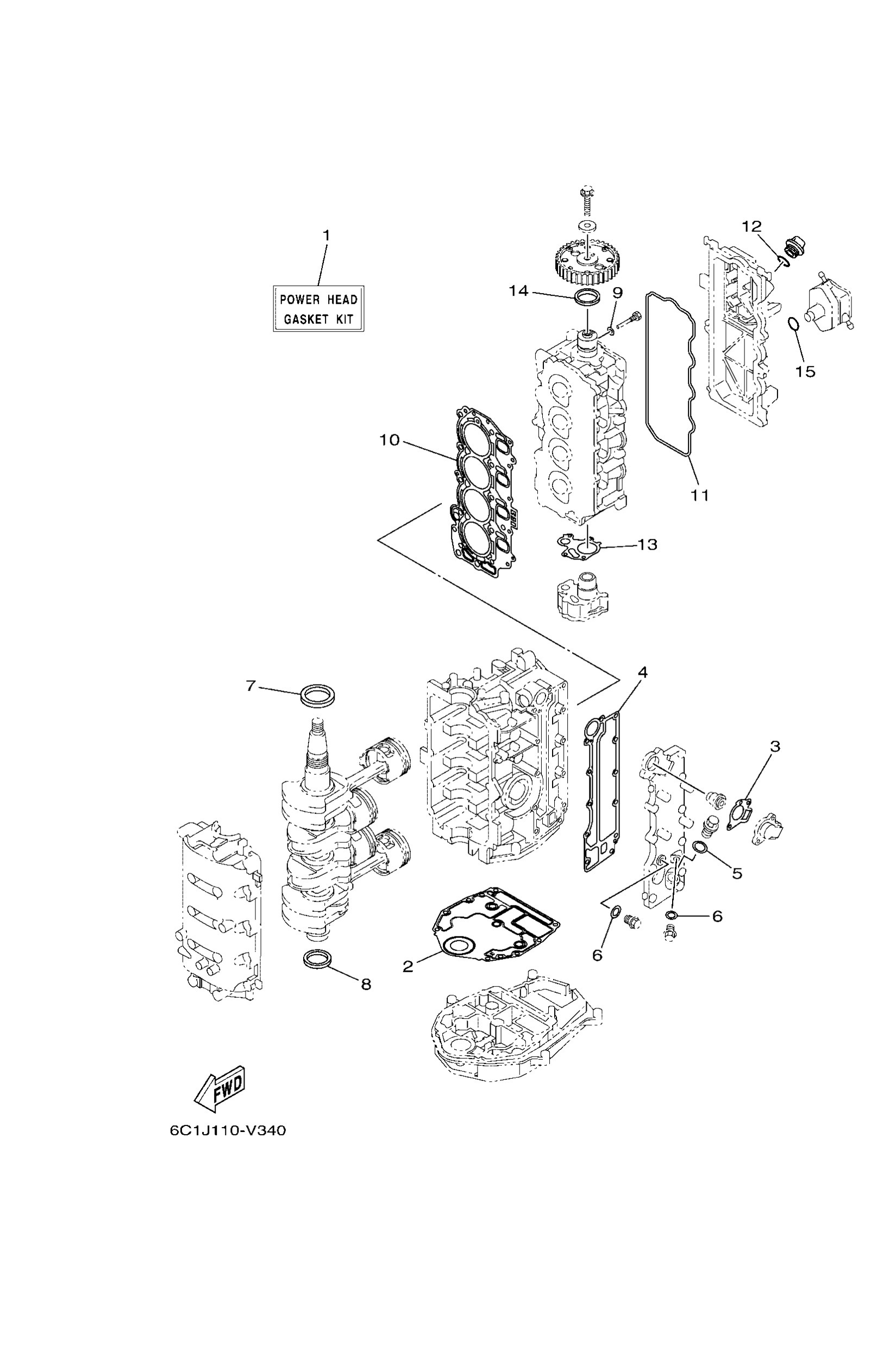
Diagram: REPAIR KIT 1
Parts List
6C5W000105
Power head gasket kit
Diagram Reference: 1
Get Part
6BG1135102
Gasket, cylinder
Diagram Reference: 2
Get Part
62Y1241401
Gasket, cover
Diagram Reference: 3
Get Part
6C54111410
Gasket, exhaust outer cover
Diagram Reference: 4
Get Part
90201186F1
Washer, plate (22f)
Diagram Reference: 5
Get Part
9043014115
Gasket (663)
Diagram Reference: 6
Get Part
9310243M42
Oil seal(62y)
Diagram Reference: 7
Get Part
9310135002
Oil seal
Diagram Reference: 8
Get Part
9043006014
Gasket 256113960000
Diagram Reference: 9
Get Part
6C51118101
Gasket, cylinder head 1
Diagram Reference: 10
Get Part
62Y1135600
Seal, cylinder 2
Diagram Reference: 11
Get Part
9321024M79
O-ring
Diagram Reference: 12
Get Part
6C51332900
Gasket, pump cover
Diagram Reference: 13
Get Part
9310237M40
Oil seal(62y)
Diagram Reference: 14
Get Part