Genuine Yamaha Outboard Parts Diagrams | Flood Marine
New Search
Parts
New Outboards
Home
VF115B (2025)
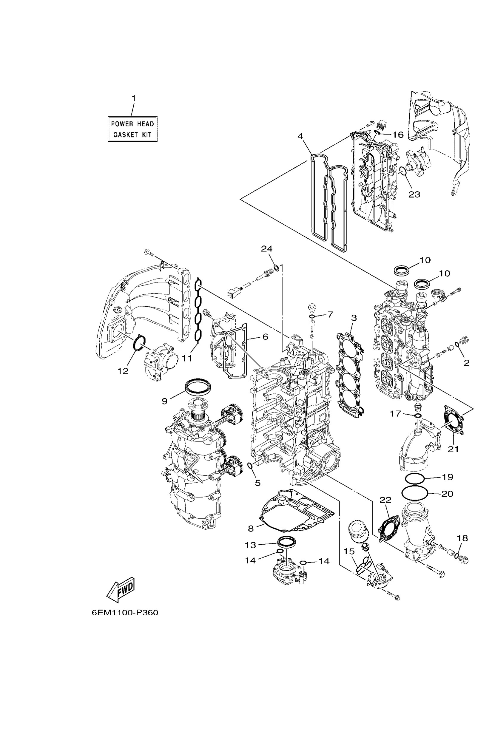
REPAIR KIT 1
Diagram: REPAIR KIT 1
Parts List
6EKW000102
Power Head Gasket Kit
Diagram Reference: 1
Get Part
9321013M63
O-ring (6g8)
Diagram Reference: 2
Get Part
6EK1118100
Gasket, cylinder head 1
Diagram Reference: 3
Get Part
6EK1119300
Gasket, head cover 1
Diagram Reference: 4
Get Part
9321019MJ1
O-ring
Diagram Reference: 5
Get Part
6EK1535301
Gasket, drain
Diagram Reference: 6
Get Part
6EK1135101
Gasket, cylinder
Diagram Reference: 8
Get Part
9310285008
Oil seal
Diagram Reference: 9
Get Part
9310238008
Oil seal
Diagram Reference: 10
Get Part
6EK1364500
Gasket, manifold 1
Diagram Reference: 11
Get Part
6EK1364600
Gasket, manifold 2
Diagram Reference: 12
Get Part
69J1135500
Seal, cylinder 1
Diagram Reference: 13
Get Part
6EK1347500
Gasket
Diagram Reference: 15
Get Part
9321024M79
O-ring
Diagram Reference: 16
Get Part
90201186F1
Washer, plate (22f)
Diagram Reference: 17
Get Part
9321064001
O-ring
Diagram Reference: 19
Get Part
9321084001
O-ring
Diagram Reference: 20
Get Part
6EK4111401
Gasket, Exhaust Outer Cover
Diagram Reference: 21
Get Part
6EK4112401
Gasket, Exhaust Outer Cover
Diagram Reference: 22
Get Part
9321030682
O-ring (371)
Diagram Reference: 23
Get Part
9043014115
Gasket (663)
Diagram Reference: 24
Get Part