Genuine Yamaha Outboard Parts Diagrams | Flood Marine
New Search
Parts
New Outboards
Home
VF150XB (2025)
REPAIR KIT 1
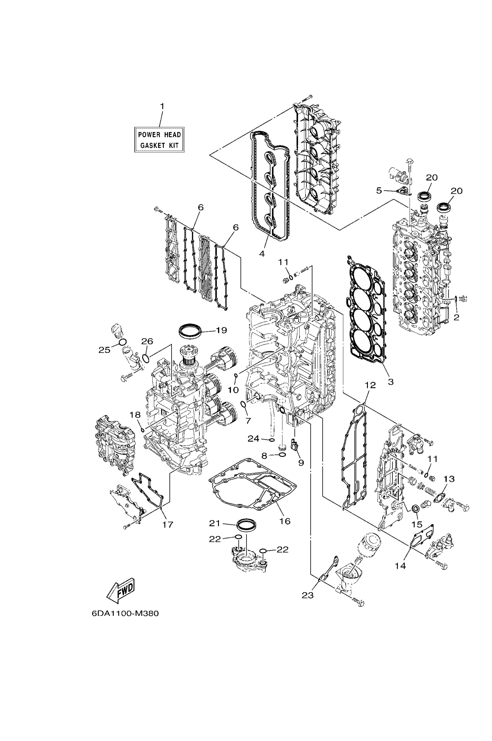
Diagram: REPAIR KIT 1
Parts List
6DAW000102
Power head gasket kit
Diagram Reference: 1
Get Part
9043014115
Gasket (663)
Diagram Reference: 2
Get Part
6DA1118100
Gasket, cylinder head 1
Diagram Reference: 3
Get Part
6DA1119300
Gasket, head cover 1
Diagram Reference: 4
Get Part
6CB1242F00
Gasket, filter
Diagram Reference: 5
Get Part
6DA1535301
Gasket, drain
Diagram Reference: 6
Get Part
9321025552
O-ring (22f)
Diagram Reference: 7
Get Part
9321025647
O-ring (7or)
Diagram Reference: 8
Get Part
6DA1466401
Grommet, water shut
Diagram Reference: 9
Get Part
9321012648
O-ring (7or)
Diagram Reference: 10
Get Part
9321013M63
O-ring (6g8)
Diagram Reference: 11
Get Part
6DA4111401
Gasket, exhaust outer cover
Diagram Reference: 12
Get Part
60V11382A0
Gasket 2
Diagram Reference: 13
Get Part
6DA1138101
Gasket 1
Diagram Reference: 14
Get Part
90201186F1
Washer, plate (22f)
Diagram Reference: 15
Get Part
63P1135104
Gasket, cylinder
Diagram Reference: 16
Get Part
6DA1545101
Gasket, crankcase cover 1
Diagram Reference: 17
Get Part
9321008001
O-ring
Diagram Reference: 18
Get Part
9310285008
Oil seal
Diagram Reference: 19
Get Part
9310238008
Oil seal
Diagram Reference: 20
Get Part
6CB1135500
Seal, cylinder 1
Diagram Reference: 21
Get Part
6DA1347500
Gasket
Diagram Reference: 23
Get Part
9321019MJ3
O-ring
Diagram Reference: 24
Get Part
9321024M79
O-ring
Diagram Reference: 25
Get Part
93210357A3
O-ring
Diagram Reference: 26
Get Part