Yamaha Outboard Parts - Remo Con Attachment - FT25BE (2001) | Flood Marine
New Search
Parts
New Outboards
Home
FT25BE (2001)
Remo Con Attachment
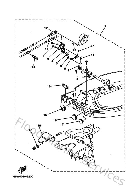
Diagram: Remo Con Attachment
Parts List
Reference
Description
Price
1
65W485010000
Remote cont. attachment assembly.
Loading…
↗
2
65W441420000
Joint
Loading…
↗
3
9025403M0500
Pin, spring
Loading…
↗
4
65W441250000
Lever, shift rod
Loading…
↗
5
9038706M2900
Coller (6a0)
Loading…
↗
6
9020106M3100
Washer (6a0)
Loading…
↗
7
9010106M2700
Bolt
Loading…
↗
8
65W441920000
Joint, rod 1
Loading…
↗
9
9020105M0600
Washer, plate(61u)
Loading…
↗
10
904681000500
Pin, hair 6264123500
Loading…
↗
11
904681800800
Clip 620436610000
Loading…
↗
12
6FM483440000
Cable end, remote control
Loading…
↗
14
6H3485380000
Clamp, cable
Loading…
↗
15
65W427252000
Grommet
Loading…
↗
16
62Y427270000
Grommet
Loading…
↗
17
65W263261000
Grommet
Loading…
↗
18
65W427261000
Grommet
Loading…
↗
19
65W485110000
Hook, steering
Loading…
↗
20
902011012000
Washer, plate
Loading…
↗