Yamaha Outboard Parts - Remote Control - 40HM (1989) | Flood Marine
New Search
Parts
New Outboards
Home
40HM (1989)
Remote Control
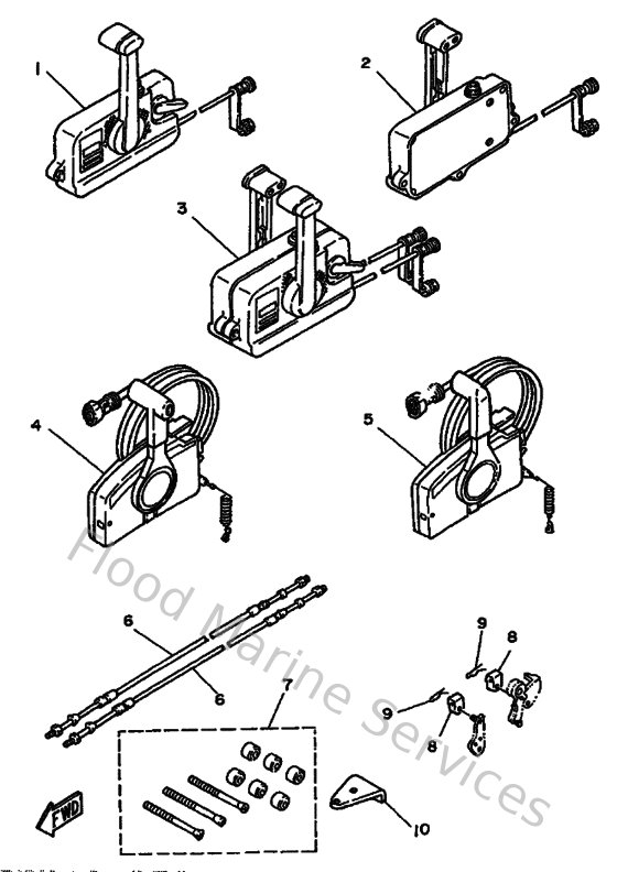
Diagram: Remote Control
Parts List
Reference
Description
Price
1
701481011000
Remote control assembly
Loading…
↗
2
701481021000
Remote control assembly
Loading…
↗
3
701481102200
Remote Control assembly
Loading…
↗
4
703482502100
Remote control assembly (10p, ptt)
Loading…
↗
5
703482801200
Remote control assembly (10p)
Loading…
↗
6
MARCABLE09SC
Remote Control Cable 9' :ob
Loading…
↗
7
703482900100
Twin attachment
Loading…
↗
8
6H4483440000
Cable end, remote control
Loading…
↗
9
904681800800
Clip 620436610000
Loading…
↗
10
6H448511514D
Hook, Steering
Loading…
↗