Yamaha Outboard Parts - Remote Control - 40QMH (1992) | Flood Marine
New Search
Parts
New Outboards
Home
40QMH (1992)
Remote Control
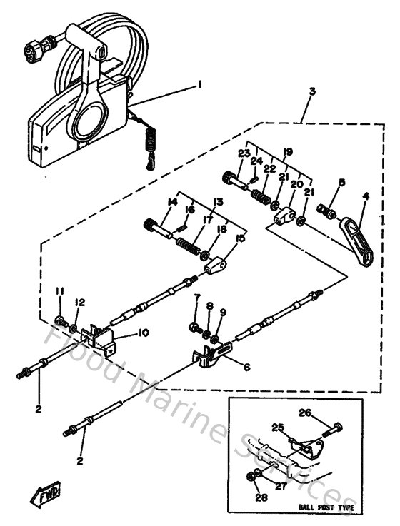
Diagram: Remote Control
Parts List
Reference
Description
Price
1
703482301100
Remote control assembly (7p)
Loading…
↗
2
MARCABLE09SC
Remote Control Cable 9' :ob
Loading…
↗
3
6R6485010000
Remote Control Attachment Assembly
Loading…
↗
5
9011906M4100
Bolt, with washer(6r6)
Loading…
↗
6
679485320000
Bracket Remote Control 2
Loading…
↗
7
973950601600
Bolt, hexagon deep recess
Loading…
↗
8
929950610000
Washer(6a1)
Loading…
↗
9
929900620000
Ybs66-6 washer, plain
Loading…
↗
10
676485310000
Bracket, Remote Control 1
Loading…
↗
13
648483305000
Cable end assembly
Loading…
↗
14
617483319100
Hook, cable
Loading…
↗
15
648483465000
Cable,end remote control 3
Loading…
↗
16
916903001200
Pin, spring
Loading…
↗
17
905011007100
Spring 6044833200
Loading…
↗
18
929900860000
Washer, plain (663)
Loading…
↗
19
648483405000
Cable end assembly
Loading…
↗
20
617483469000
Cable end, remote control
Loading…
↗
22
905011026400
Spring 6174833290
Loading…
↗
23
617483619100
Hook, cable
Loading…
↗
25
676485111000
Hook, steering
Loading…
↗
26
973951004000
Bolt, hexagon deep recess
Loading…
↗
27
929901060000
Washer, plate
Loading…
↗
28
901851005100
Nut, self-locking
Loading…
↗