Yamaha Outboard Parts - Remote Control - FT9.9AMH (1987) | Flood Marine
New Search
Parts
New Outboards
Home
FT9.9AMH (1987)
Remote Control
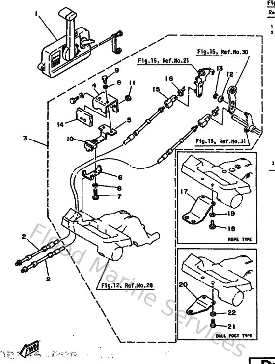
Diagram: Remote Control
Parts List
Reference
Description
Price
1
701481011000
Remote control assembly
Loading…
↗
2
MARCABLE09SC
Remote Control Cable 9' :ob
Loading…
↗
3
6G8485010200
Remote cont. attachment assembly.
Loading…
↗
4
6G8485315000
Grommet
Loading…
↗
5
6G8485325000
Bracket, remote control 2
Loading…
↗
6
6G8485385000
Clamp, cable
Loading…
↗
7
970800603000
Bolt(jf7)
Loading…
↗
8
929900660000
Washer, plain (646)
Loading…
↗
9
973950601200
Bolt(gh1)
Loading…
↗
10
6G8485655000
Grommet
Loading…
↗
11
9538R0670000
Nut
Loading…
↗
12
9038706M7300
Collar
Loading…
↗
13
9343004M0300
Circlip (eu0)
Loading…
↗
14
6G8483515100
Seal, rubber
Loading…
↗
15
6G8263630000
End, wire 1
Loading…
↗
16
6G8263640000
End, wire 2
Loading…
↗
17
6G8485110000
Hook, steering
Loading…
↗
18
970950601600
Bolt, hexagon deep recess
Loading…
↗
20
6G8485111000
Hook, steering
Loading…
↗
21
973950601600
Bolt, hexagon deep recess
Loading…
↗